lemon-mirror:
Home >> Cadillac >> 2007 >> STS RWD V8-4.6L >> Repair and Diagnosis >> Powertrain Management >> Computers and Control Systems >> Engine Control Module >> Service and Repair

Engine Control Module: Service and Repair



Engine Control Module Replacement

Removal Procedure

Notice:
* Turn the ignition OFF when installing or removing the control module connectors and disconnecting or reconnecting the power to the control module (battery cable, powertrain control module (PCM)/engine control module (ECM)/transaxle control module (TCM) pigtail, control module fuse, jumper cables, etc.) in order to prevent internal control module damage.

* Control module damage may result when the metal case contacts battery voltage. DO NOT contact the control module metal case with battery voltage when servicing a control module, using battery booster cables, or when charging the vehicle battery.

* In order to prevent any possible electrostatic discharge damage to the control module, do no touch the connector pins or the soldered components on the circuit board.

* Remove any debris from around the control module connector surfaces before servicing the control module. Inspect the control module connector gaskets when diagnosing or replacing the control module. Ensure that the gaskets are installed correctly. The gaskets prevent contaminant intrusion into the control module.

* The replacement control module must be programmed.

Important: It is necessary to record the remaining engine oil life. If the replacement module is not programed with the remaining engine oil life, the engine oil life will default to 100 percent. If the replacement module is not programmed with the remaining engine oil life, the engine oil will need to be changed at 5 000 km (3,000 mi) from the last engine oil change.

Important: It is necessary to record the remaining automatic transmission fluid life. If the replacement module is not programed with the remaining automatic transmission fluid life, the automatic transmission fluid life will default to 100 percent. If the replacement module is not programmed with the remaining automatic transmission fluid life, the automatic transmission fluid will need to be changed at 83 000 km (50,000 mi) from the last automatic transmission fluid change.

1. Using a scan tool, retrieve the percentage of remaining engine oil and the remaining automatic transmission fluid life. Record the remaining engine oil and the remaining automatic transmission fluid life.
2. Turn OFF the ignition.
3. Disconnect the battery negative cable.




4. Raise and support the vehicle. Refer to Vehicle Lifting.
5. Remove the front air deflector.




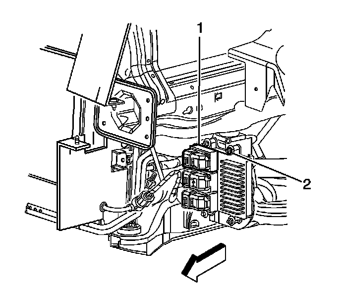
6. Disconnect the engine control module (ECM) electrical connectors (1).
7. Remove the ECM mounting nuts (2).
8. Remove the ECM from the vehicle.

Installation Procedure




1. Install the ECM to the vehicle.

Notice: Refer to Fastener Notice.

2. Install the ECM mounting nuts (2).

Tighten the nuts to 8 N.m (71 lb in).

3. Connect the ECM electrical connectors (1).




4. Install the front air deflector.
5. Lower the vehicle.
6. Connect the battery negative cable.
7. Program the ECM. Refer to Refer to Programming and Relearning for programming and setup information. Programming and Relearning