lemon-mirror:
Home >> Cadillac >> 2007 >> STS RWD V6-3.6L >> Repair and Diagnosis >> Body and Frame >> Frame >> Subframe >> Front Subframe >> Service and Repair >> Front Frame Replacement

Front Frame Replacement



Front Frame Replacement

Tools Required

* J 24319-B Steering Linkage and Tie Rod Puller
* J 39580 Engine Support Stand

Removal Procedure

1. Install the engine support fixture.
* Engine Support Fixture for the 3.6L (LY7) engine
* Engine Support Fixture for the 4.4L (LC3) engine
* Engine Support Fixture for the 4.6L (LH2) engine
2. Raise and support the vehicle. Refer to Vehicle Lifting.
3. Remove the front wheels.
4. Remove the front air deflector.




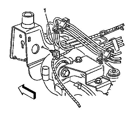
5. Disconnect the electrical harness retainers (1) securing the engine harness to the frame.




6. Disconnect the left rearward retainer (1).




7. Disconnect the right rearward retainer (1).




8. Disconnect the antilock brake wiring harness from the lower control arms.




9. Loosen the brake line bracket nut (1).
10. Disconnect the brake lines from the frame.




11. Using mechanics wire (3), support the radiator and AC condenser assembly to the front inner energy absorber bracket bolt (1).




12. Remove the washer bottle bracket nuts and bracket (3).
13. Loosen the brake pressure modulator valve (BPMV) nuts (1) in order to separate the BPMV (2) from the bracket assembly.






Important: Mark the stabilizer shaft to ensure the correct position when reinstalling.

14. Loosen the stabilizer shaft mounting bolts.




15. Remove the lower stabilizer shaft link retaining nut.
16. Remove the stabilizer shaft link from the lower control arm.




17. Remove the power steering pressure hose retaining nut from the air conditioning compressor.
18. Position power steering pressure hose aside.




19. Remove the power steering gear mounting bolts.




20. Using mechanics wire (4), support the power steering gear (3) to the bolt bracket installed in the oil pan.




21. Remove the outer tie rod retaining nut.




22. Using J 24319-B, remove the outer tie rod.




23. Remove the lower shock bolts (1).

Important: The brake calipers do not need to be removed from the knuckle assembly.

24. Disconnect the lower ball joint from the steering knuckle and position the knuckle assembly away from the lower control arms.




25. Remove the engine mounts lower retaining nuts (2).




26. Install the J 39580.
27. Lower the vehicle to the frame support table.
28. Remove the frame mounting bolts (2).
29. With the aid of an assistant, carefully raise the body from the frame.
30. Ensure when raising the body, the following items are clear from the frame:
* The brake pipes
* The steering knuckle assembly
* The wheel speed sensor (WSS) electrical harness




31. Remove the lower control arms.
32. Remove the stabilizer shaft.
33. With the aid of an assistant, remove the frame from the support fixture.

Installation Procedure

1. Install the lower control arm to the frame.
2. Install the stabilizer shaft to the frame.
Do not tighten the stabilizer shaft mounting bolts at this time.




3. With the aid of an assistant, position and secure the new frame assembly to the support fixture.
4. With the aid of an assistant, carefully lower the body to the frame.
5. Ensure the following components are clear from the frame:
* The electrical harness
* The steering knuckle assembly
* The brake pipes






Notice: Refer to Fastener Notice.

6. Install the frame mountings bolts (2).

Tighten the bolts to 191 N.m (141 lb ft).

7. Raise the vehicle.




8. Install the engine mount lower retaining nuts (2).

Tighten the nuts to 50 N.m (37 lb ft).

9. Remove the J 39580.




10. Remove the mechanics wire (4) supporting the power steering gear (3).




11. Install the power steering gear mounting bolts.

Tighten the bolts to 95 N.m (70 lb ft).




12. Install the ball joint to the steering knuckle.
13. Install the lower ball joint retaining nut.

Tighten the nut to 20 N.m (15 lb ft) plus an additional 210 degree rotation.




14. Install the outer tie rod to the steering knuckle.
15. Install the outer tie rod to steering knuckle retaining nut.

Tighten the nut to 70 N.m (52 lb ft).






Important: Ensure correct position from the previously marked spots.

16. Tighten the stabilizer shaft bolts.

Tighten the bolts to 60 N.m (44 lb ft).




17. Install the stabilizer shaft link to the lower control arms.
18. Install the stabilizer shaft link nuts.

Tighten the nuts to 50 N.m (37 lb ft).




19. Install the lower shock mounting bolts (1).

Tighten the bolts to 25 N.m (18 lb ft).





20. Install the brake pipe connection to the frame with the nuts (1).

Tighten the nuts to 10 N.m (89 lb in).




21. Install the BPMV nuts (1).

Tighten the nuts to 10 N.m (89 lb in).

22. Install the washer bottle bracket and nuts (3).

Tighten the nuts to 10 N.m (89 lb in).




23. Remove the mechanics wire (3) supporting the radiator.
24. Secure the energy absorber bracket nut (1).

Tighten the nut to 25 N.m (18 lb ft).




25. Install the antilock brake wiring harness to the lower control arms.




26. Secure the right rearward retainer (1).




27. Secure the left rearward retainer (1).




28. Secure the engine electrical harness retainers (1) to the frame.
29. Install the front air deflector.
30. Install the front tires and wheels.
31. Lower the vehicle.
32. Remove the engine support fixture.
* Engine Support Fixture for the 3.6L (LY7) engine
* Engine Support Fixture for the 4.4L (LC3) engine
* Engine Support Fixture for the 4.6L (LH2) engine
33. Align the vehicle. Refer to Measuring Wheel Alignment.