lemon-mirror:
Home >> Cadillac >> 2007 >> Escalade RWD V8-6.2L >> Repair and Diagnosis >> Body and Frame >> Body Control Systems >> Body Control Module >> Service and Repair >> Body Control Module Replacement

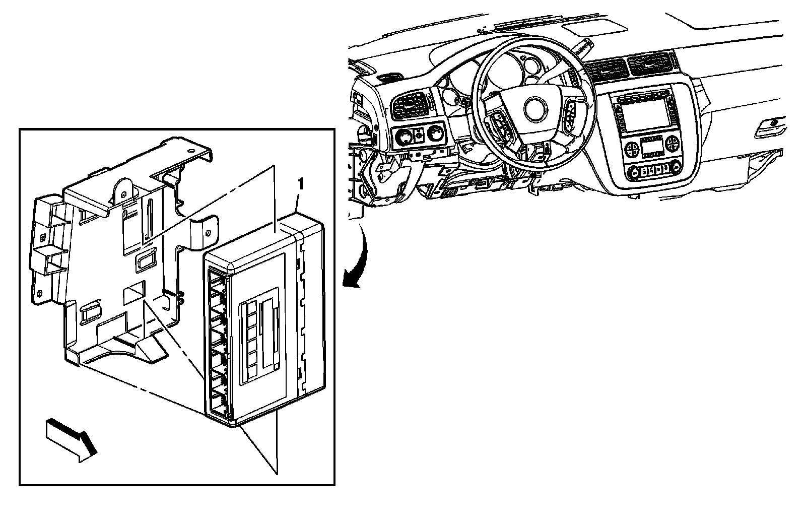
Body Control Module Replacement



BODY CONTROL MODULE REPLACEMENT