lemon-mirror:
Home >> Cadillac >> 2007 >> Escalade AWD V8-6.2L >> Repair and Diagnosis >> Body and Frame >> Seats >> Power Seat Control Module >> Locations

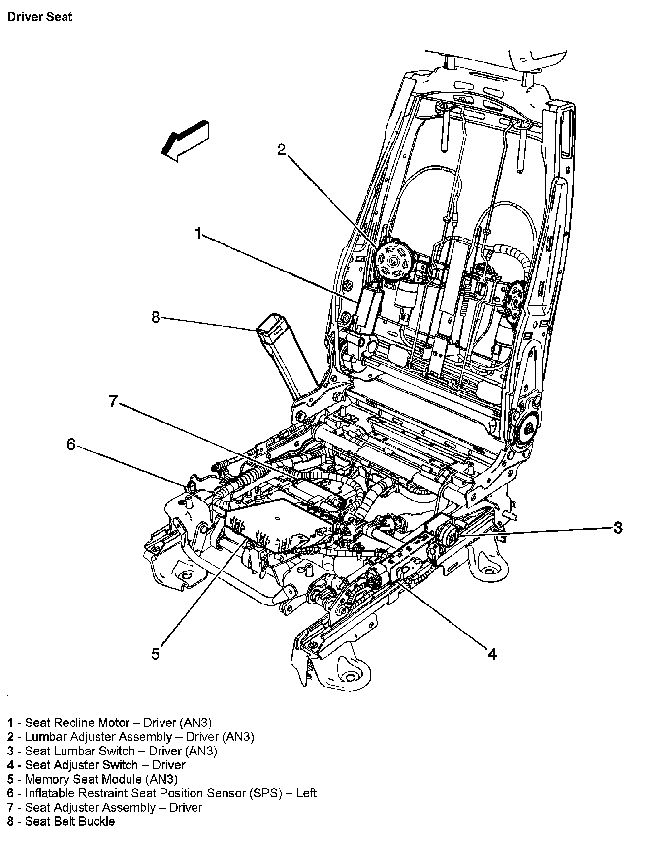
Power Seat Control Module: Locations

Driver Seat: