lemon-mirror:
Home >> Cadillac >> 2007 >> DTS V8-4.6L >> Repair and Diagnosis >> Body and Frame >> Frame >> Subframe >> Front Subframe >> Service and Repair >> Frame Replacement - Front

Frame Replacement - Front



Frame Replacement - Front


Tools Required
* J 28467-A Universal Engine Support Fixture
* J 39580 Engine Support Stand


Removal Procedure





1. Install the J 28467-A in order to support the engine. Refer to Engine Support Fixture .
2. Raise and support the vehicle. Refer to Lifting and Jacking the Vehicle .
3. Remove the front tires and wheels. Refer to Tire and Wheel Removal and Installation .
4. Remove the stabilizer shaft. Refer to Stabilizer Shaft Replacement (FE1 and FE3) Stabilizer Shaft Replacement (FE7) .
5. Remove the bolts retaining the steering gear to the engine frame.
6. Remove the ball joints from the steering knuckle. Refer to Lower Ball Joint Replacement (FE1, FE3) Lower Ball Joint Replacement (FE7) .
7. Remove the front air deflector. Refer to Front Air Deflector Replacement .
8. Remove the brake pressure modulator valve and bracket from the frame. Refer to Brake Pressure Modulator Valve Replacement .
9. Disconnect the ESC sensor links from the lower control arm ball studs.
10. Remove the secondary air injection pump assembly. Refer to Secondary Air Injection Pump Replacement .




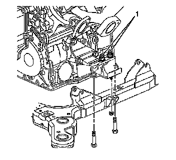
11. Remove the steering gear heat shield fasteners (1) in order to remove the steering gear heat shield (2) and disconnect the electrical harness retainer that is mounted on the heat shield.
12. Disconnect the electrical harness from the heat shield.




13. Remove the brackets (2) retaining the power steering line (1) to the frame.
14. Remove the retainer (3), retaining the power steering line (4) along the left side of the engine frame.
15. Using mechanics wire, retain the steering gear to the body.




16. Lower vehicle until the engine frame rests on the J 39580 or suitable jack stands .




17. Remove the fastener retaining the front engine mount to the engine frame.




18. Remove the fasteners retaining the rear transaxle mount (1) to the engine frame.




19. Remove the engine frame insulator bolts (3) retaining the engine frame (2) to the vehicle.
20. Raise vehicle away from engine frame.
21. Remove the control arms. Refer to Lower Control Arm Replacement (FE1, FE3) Lower Control Arm Replacement (FE7) .

Installation Procedure

1. Install the control arms. Refer to Lower Control Arm Replacement (FE1, FE3) Lower Control Arm Replacement (FE7) .
2. Lower the vehicle onto the engine frame.




3. Using dowel pins in the alignment holes (1), align the engine frame (2) with the vehicle.

Notice: Refer to Fastener Notice .

4. Install the engine frame insulator retainer bolts in order to retain the engine frame to the vehicle.

Tighten the retainers to 181 N.m (133 lb ft).

5. Check the front wheel alignment. Refer to Wheel Alignment Specifications .




6. Raise the vehicle away from the jack stands supporting the engine frame.




7. Install the fasteners in order to retain the rear transaxle mount (1) to the bracket.

Tighten the retainers to 50 N.m (37 lb ft).





8. Install the fastener in order to retain the front engine mount to the engine frame.

Tighten the fastener to 70 N.m (52 lb ft).

9. Install the fasteners in order to retain the steering gear to the engine frame.

Tighten the fastener to 95 N.m (70 lb ft).





10. Install the bracket (2) to retain the power steering line (1) to the engine frame.
11. Install the clips (3) retaining power steering line (4) along engine frame rail.
12. Connect the wiring harness to the heat shield.




13. Install the steering gear heat shield (2) to the vehicle.

Tighten the retainers to 9 N.m (80 lb in).

14. Install the secondary air injection pump to the vehicle. Refer to Secondary Air Injection Pump Replacement .
15. Install the brake pressure modulator valve. Refer to Brake Pressure Modulator Valve Replacement .
16. Install the ESC sensor links to the lower control arm ball studs.
17. Install the front air deflector. Refer to Front Air Deflector Replacement .
18. Install the ball joints to the steering knuckle. Refer to Lower Ball Joint Replacement (FE1, FE3) Lower Ball Joint Replacement (FE7) .
19. Install the front tires and wheels. Refer to Tire and Wheel Removal and Installation .
20. Install the stabilizer shaft. Refer to Stabilizer Shaft Replacement (FE1 and FE3) Stabilizer Shaft Replacement (FE7) .




21. Lower the vehicle.
22. Remove the J 28467-A , supporting the engine.
23. Check the front wheel alignment. Refer to Wheel Alignment Specifications .