lemon-mirror:
Home >> Cadillac >> 2007 >> CTS V8-6.0L >> Repair and Diagnosis >> Powertrain Management >> Computers and Control Systems >> Air Flow Meter/Sensor >> Locations

Air Flow Meter/Sensor: Locations



Engine Controls Component Views

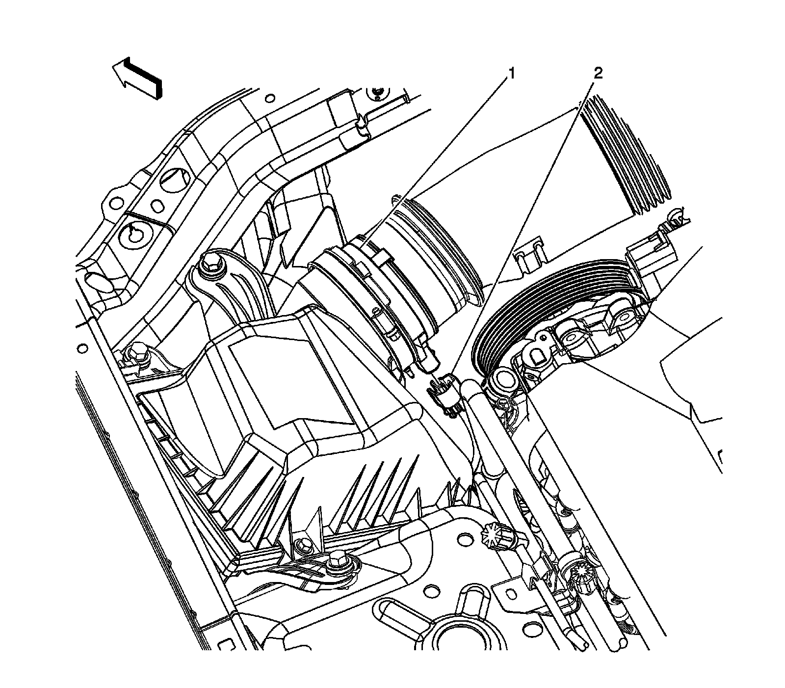
MAF and IAT Sensors - 6.0L (LS2)




1 - Mass Air Flow (MAF) and Intake Air Temperature (IAT) Sensors
2 - Mass Air Flow (MAF) Connector