lemon-mirror:
Home >> Cadillac >> 2006 >> CTS V6-2.8L >> Repair and Diagnosis >> Powertrain Management >> Computers and Control Systems >> Body Control Module >> Diagrams >> Electrical Diagrams >> Door Control Module Diagrams

Door Control Module Diagrams



Door Control Module Diagram 1:




Door Control Module Diagram 2 (1 Of 2):




Door Control Module Diagram 2 (2 Of 2):




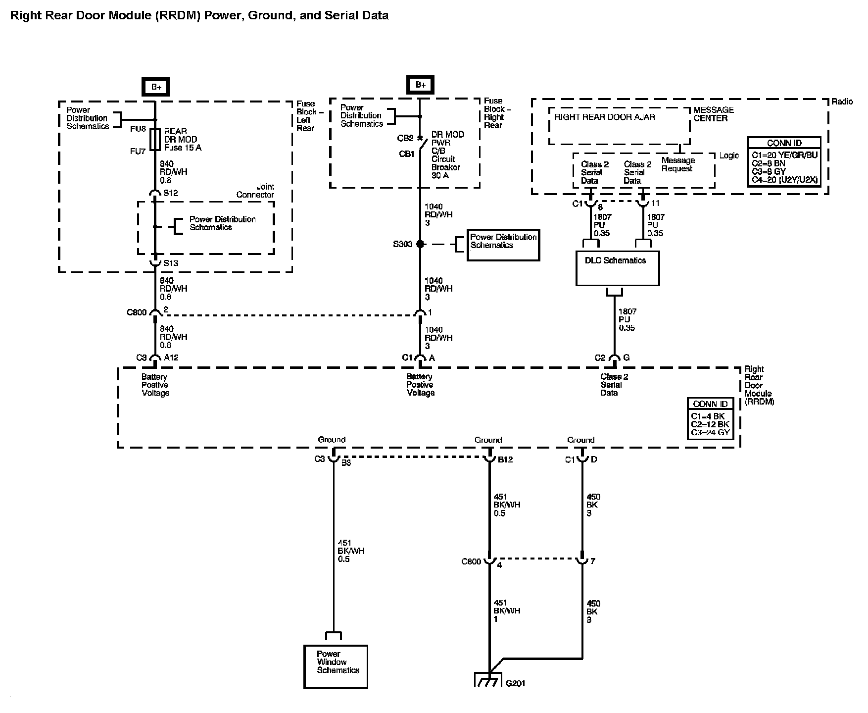
Door Control Module Diagram 3:




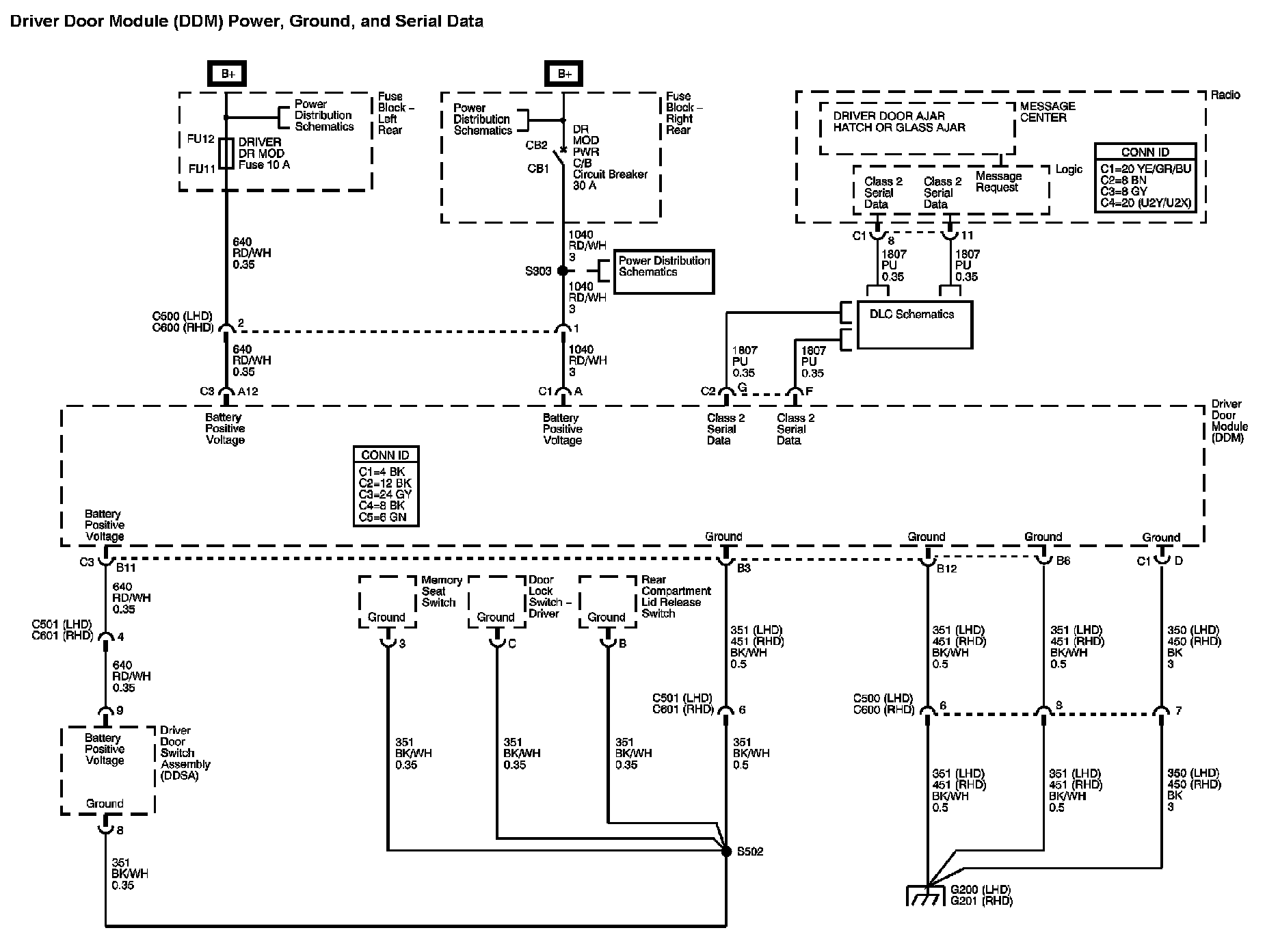
Door Control Module Diagram 4 (1 Of 2):




Door Control Module Diagram 4 (2 Of 2):




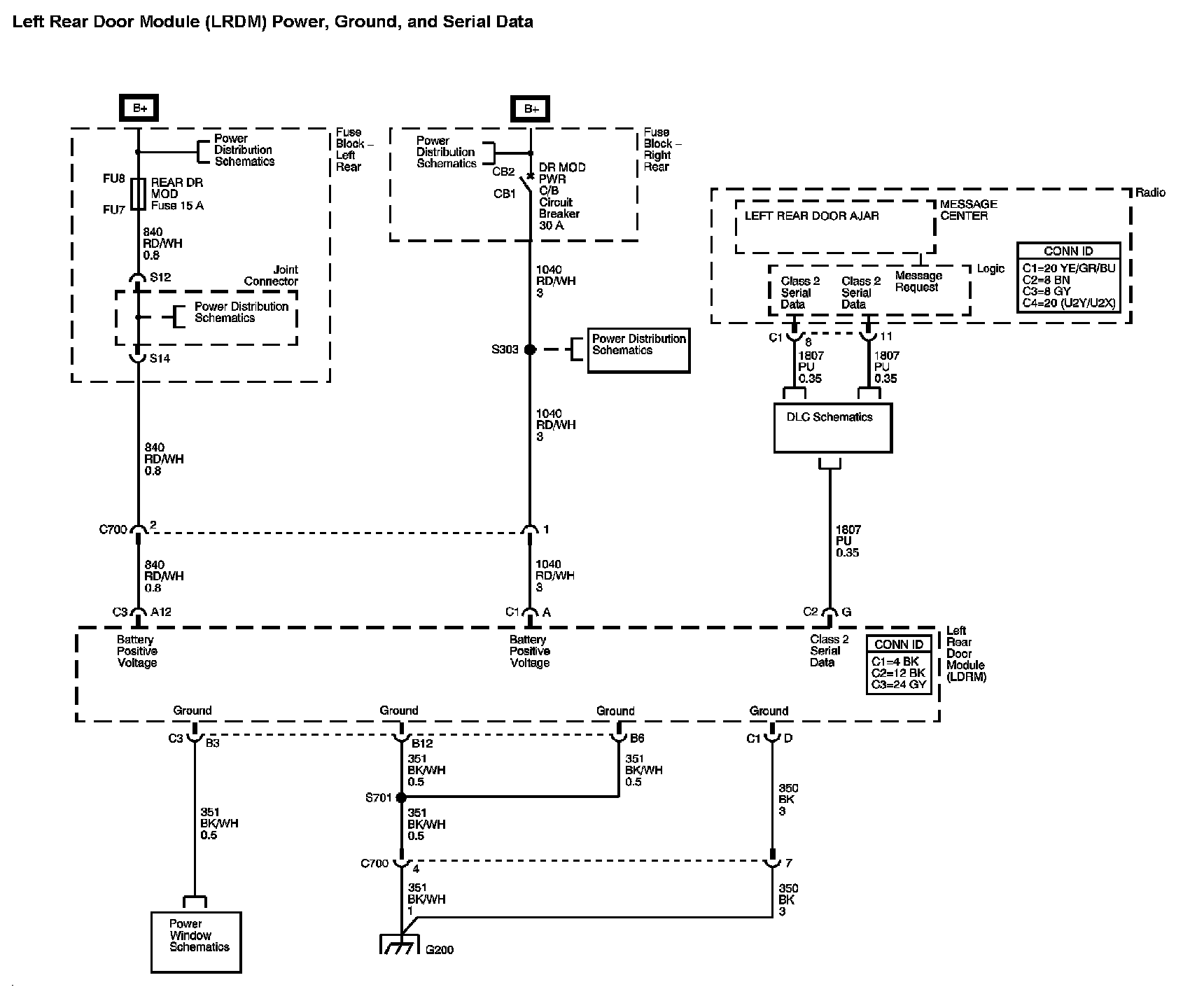
Door Control Module Diagram 5:




Door Control Module Diagram 6:




Door Control Module Diagram 7:




Door Control Module Diagram 8:






Locations: The locations for the Connectors, Grounds, Splices, and Grommets shown within these diagrams can be found via their numbers at Vehicle Locations. Locations