lemon-mirror:
Home >> Cadillac >> 2004 >> CTS V8-5.7L VIN P >> Repair and Diagnosis >> Diagrams >> Electrical Diagrams >> Body Control Systems >> Door Control Module

Door Control Module

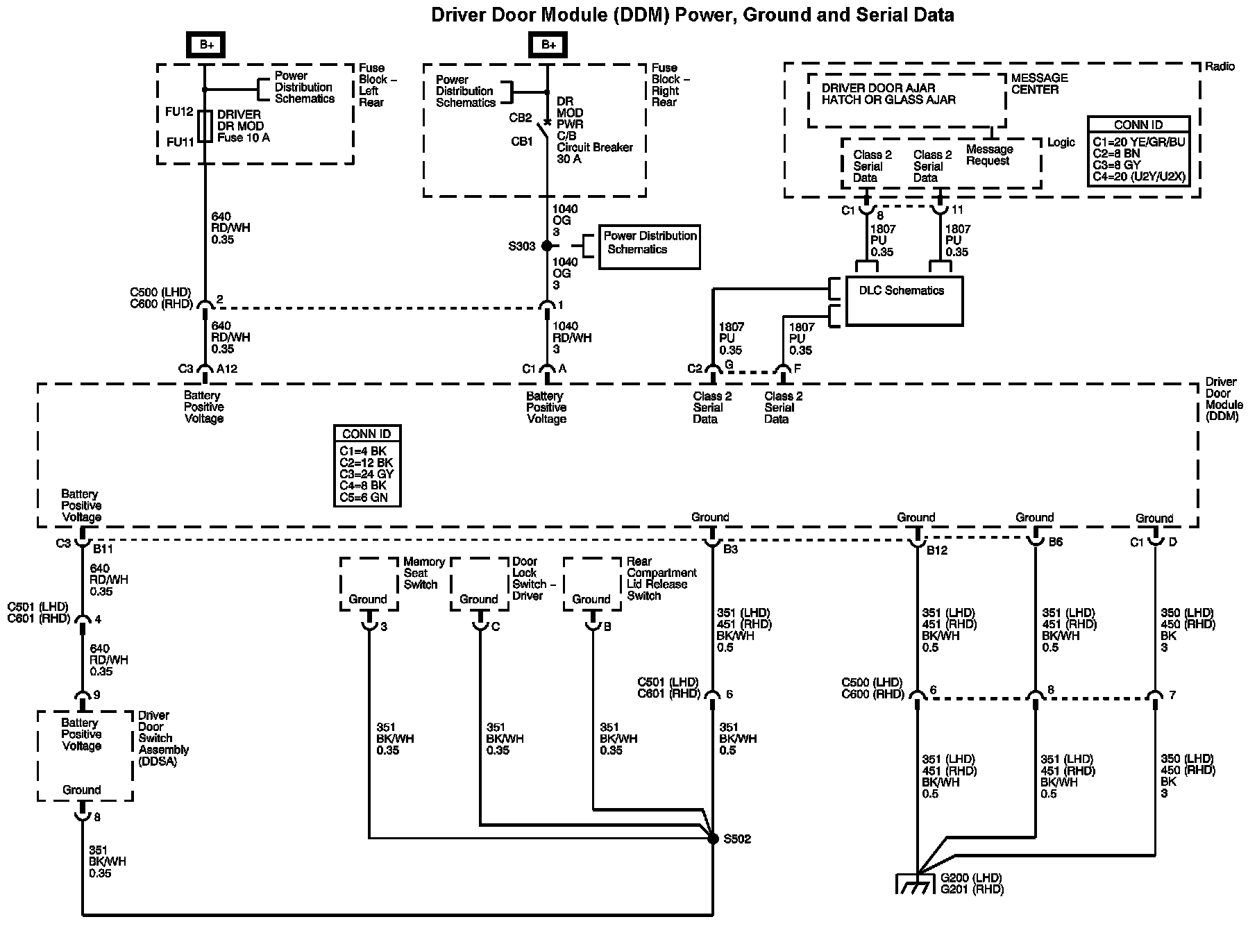
Door Control Module Diagram 1:




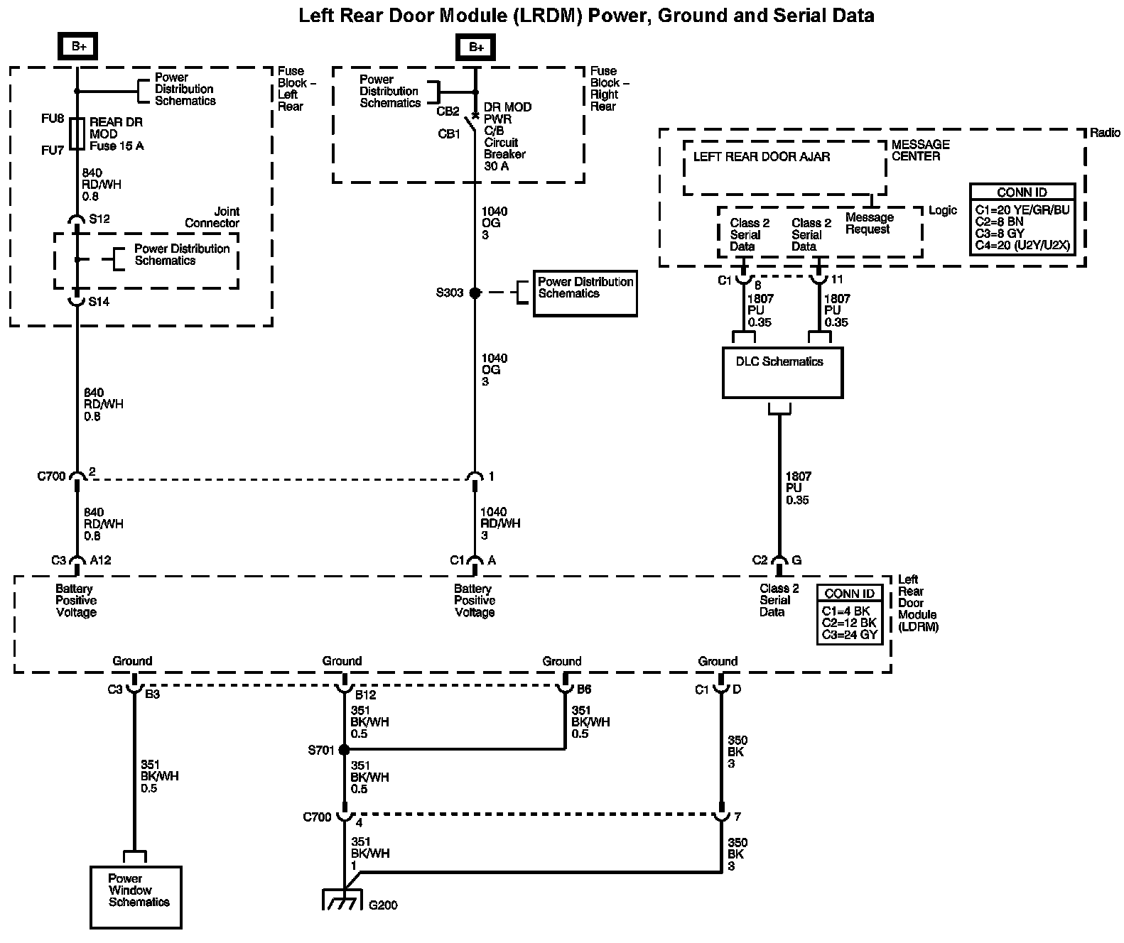
Door Control Module Diagram 2 (1 Of 2):




Door Control Module Diagram 2 (2 Of 2):




Door Control Module Diagram 3:




Door Control Module Diagram 4 (1 Of 2):




Door Control Module Diagram 4 (2 Of 2):




Door Control Module Diagram 5:




Door Control Module Diagram 6:




Door Control Module Diagram 7:




Door Control Module Diagram 8: