lemon-mirror:
Home >> Cadillac >> 2004 >> CTS V6-3.6L VIN 7 >> Repair and Diagnosis >> Diagrams >> Exploded Views >> Engine >> Fuel Rail

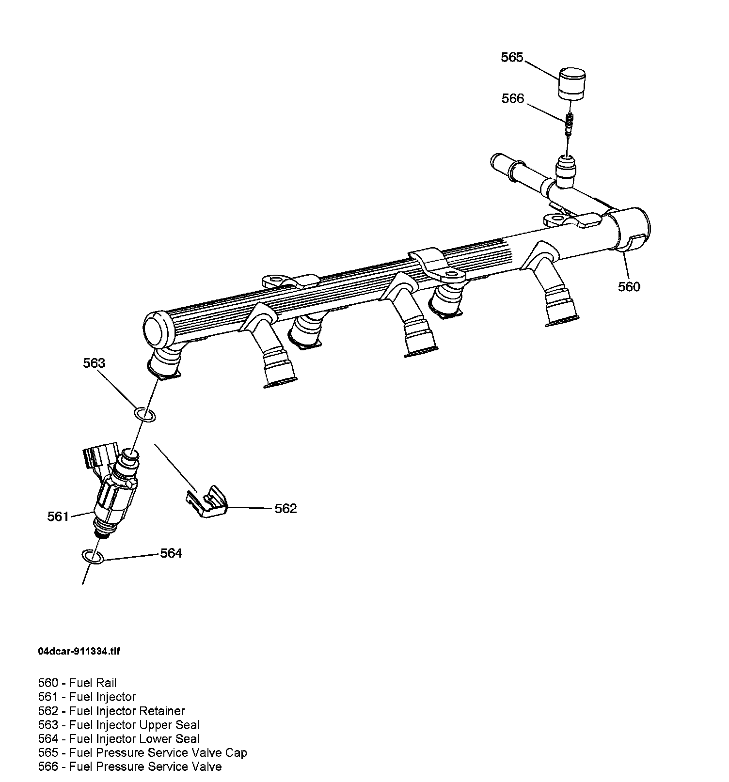
Fuel Rail