lemon-mirror:
Home >> Cadillac >> 2003 >> CTS V6-3.2L VIN N >> Repair and Diagnosis >> Powertrain Management >> Computers and Control Systems >> Body Control Module >> Diagrams >> Electrical Diagrams

Electrical Diagrams

Door Control Module Diagram 1:




Door Control Module Diagram 2:




Door Control Module Diagram 3:




Door Control Module Diagram 4:




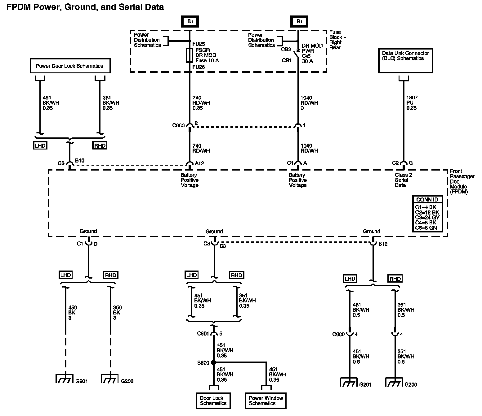
Door Control Module Diagram 5:




Door Control Module Diagram 6:




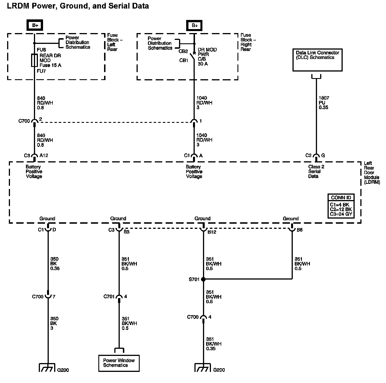
Door Control Module Diagram 7:




Door Control Module Diagram 8:




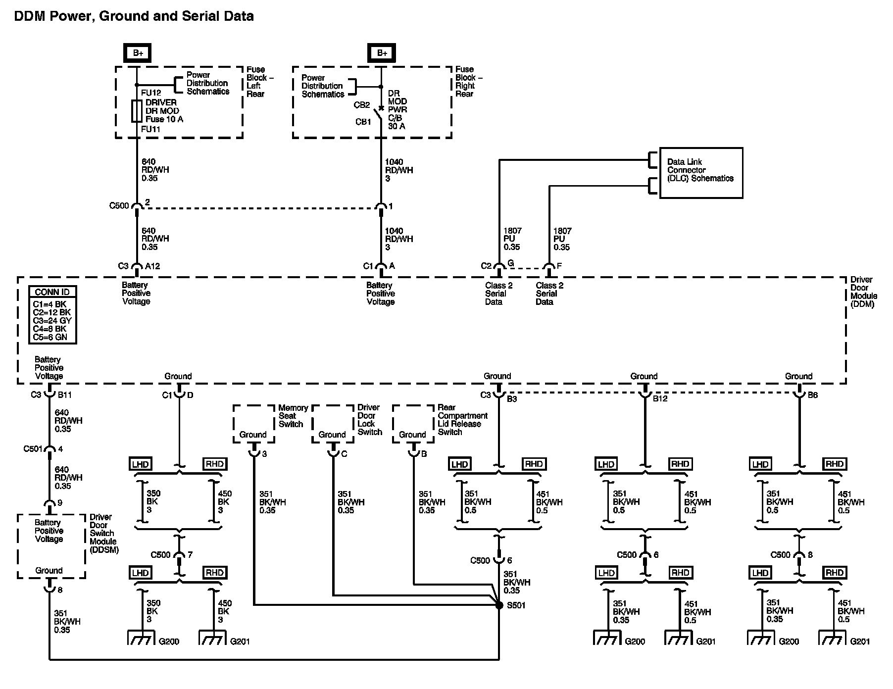
Door Control Module Diagram 9:




Door Control Module Diagram 10: