lemon-mirror:
Home >> Cadillac >> 1987 >> Seville V8-252 4.1L >> Repair and Diagnosis >> Powertrain Management >> Computers and Control Systems >> Vehicle Speed Sensor >> Locations

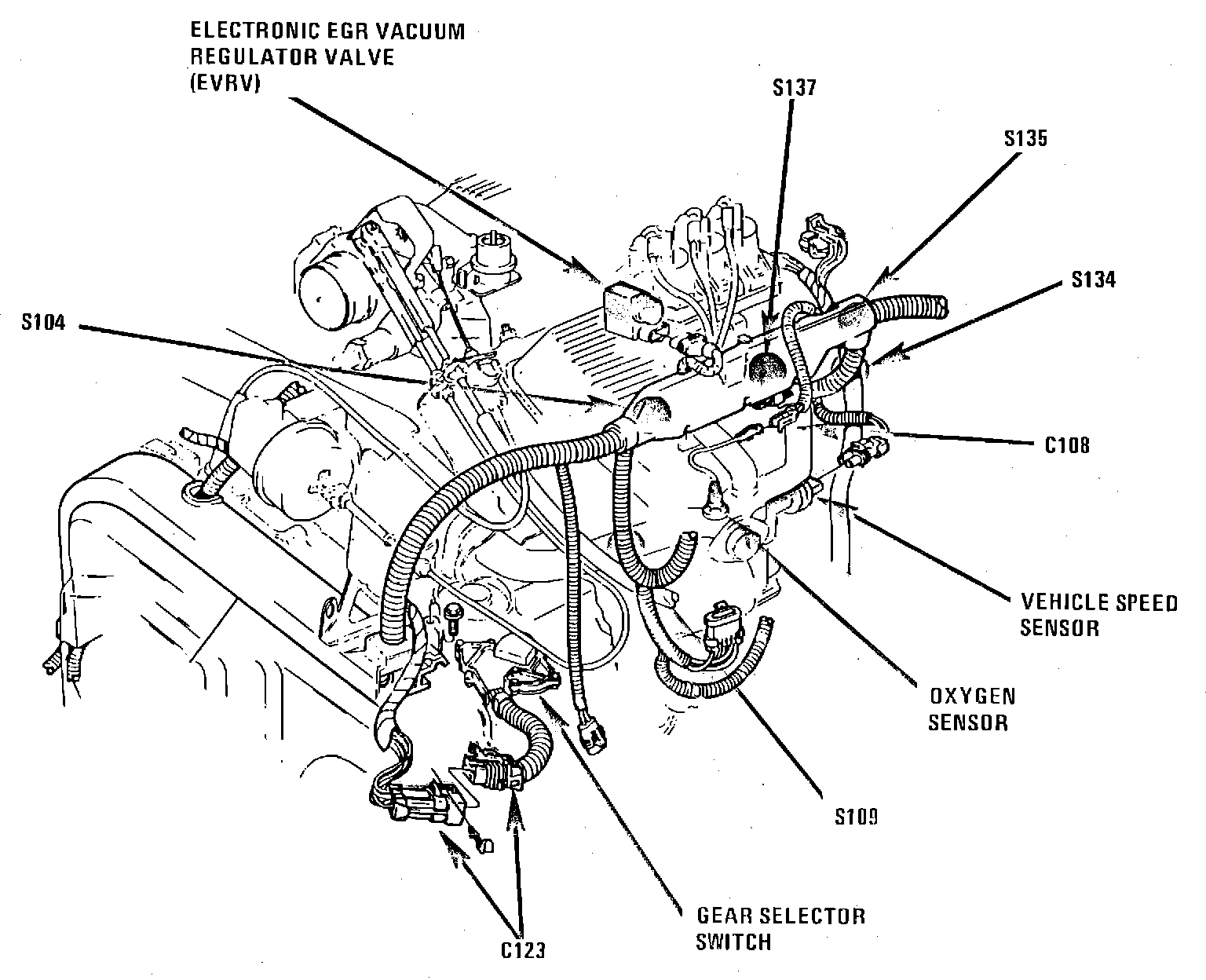
Vehicle Speed Sensor: Locations

Rear Of V6-231/3.8L:




RH Side Of Transaxle

Applicable to: 8L (VIN B) Engine