lemon-mirror:
Home >> Cadillac >> 1987 >> Seville V8-252 4.1L >> Repair and Diagnosis >> Heating and Air Conditioning >> Control Module HVAC >> Locations >> Electronic Climate Control (ECC) Power Module

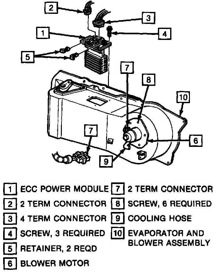
Electronic Climate Control (ECC) Power Module

Power Module And Blower Motor:






The Power Module is located on top of the evaporator and blower assembly.