lemon-mirror:
Home >> Cadillac >> 1987 >> Seville V8-252 4.1L >> Repair and Diagnosis >> Diagrams >> Connector Views >> Body Control Module

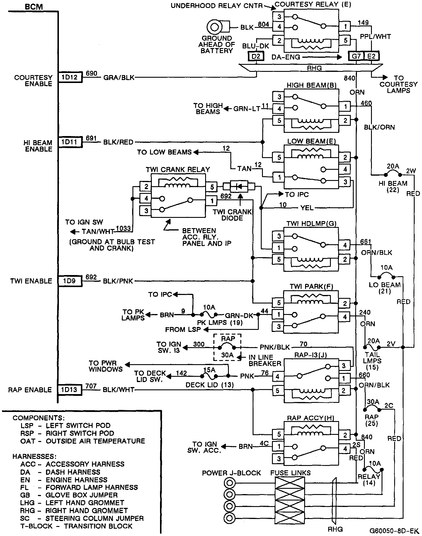
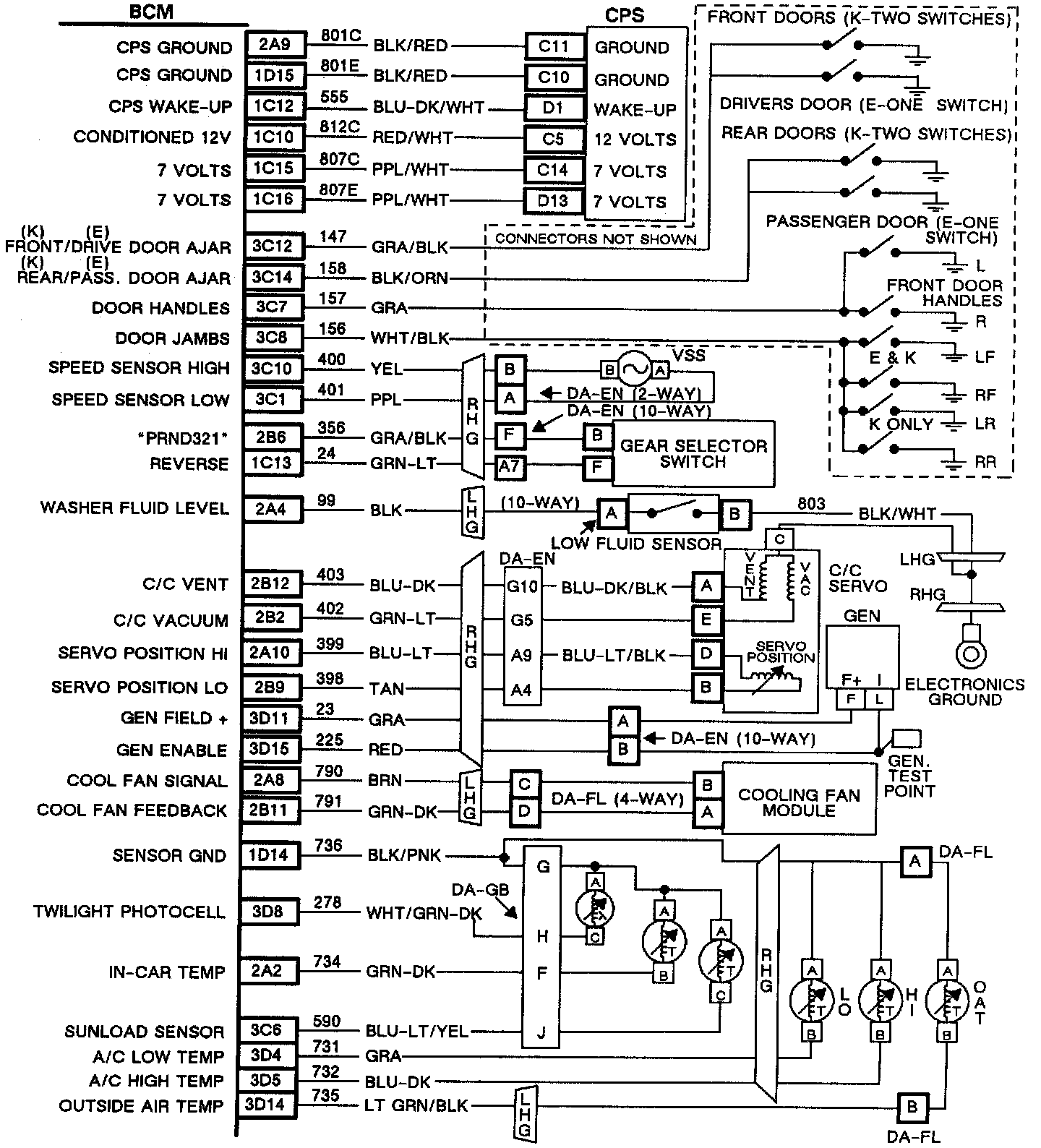
Body Control Module

BCM Interface Detail:



BCM Interface Detail:



BCM Interface Detail:



Wire Side BCM Connector View: