lemon-mirror:
Home >> Cadillac >> 1987 >> Seville V8-252 4.1L >> Repair and Diagnosis >> Diagrams >> Components >> Miscellaneous Components >> Cruise Control Servo

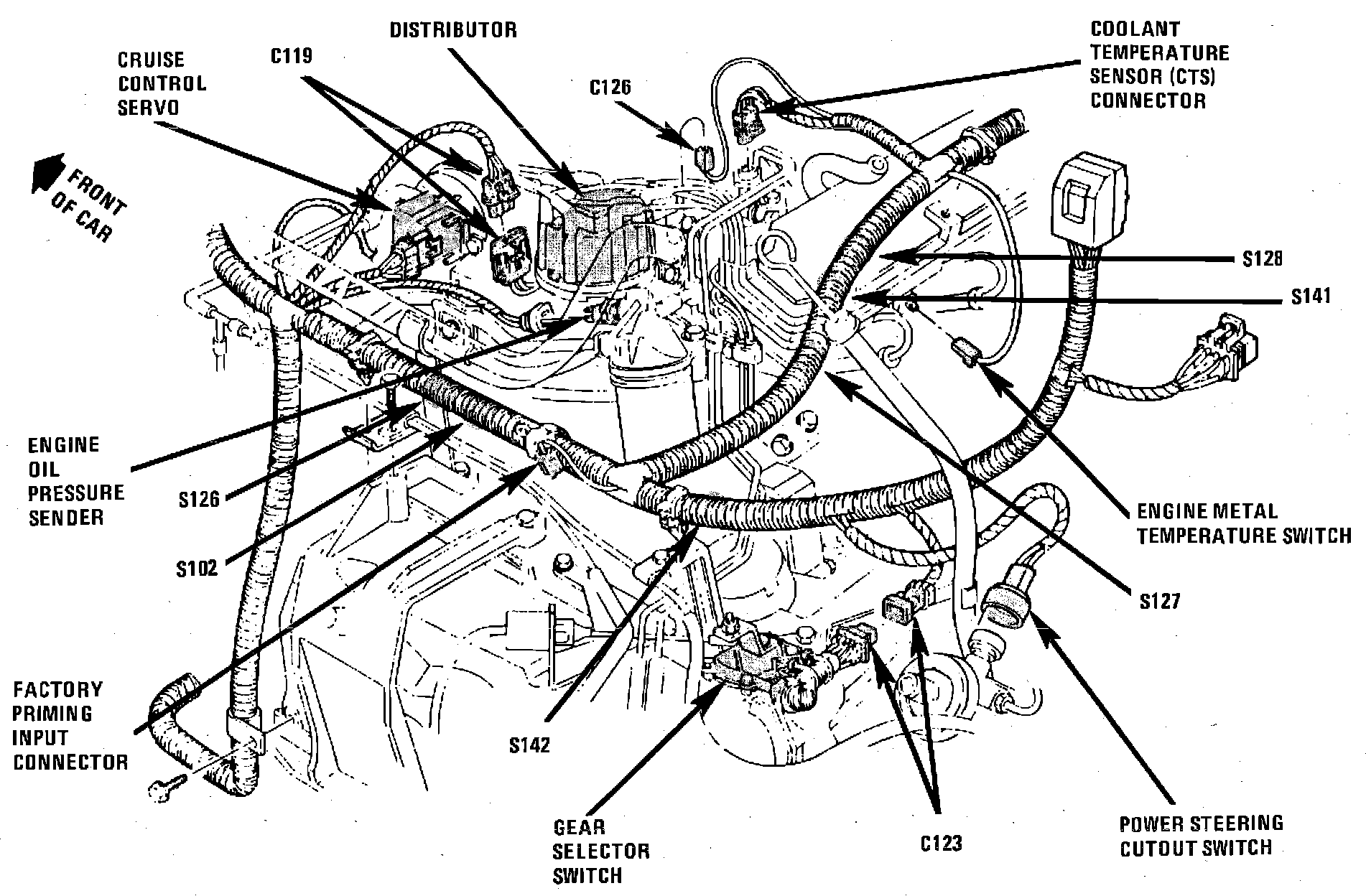
Cruise Control Servo

LH Side Of Engine.:




LH Front Of Engine, Near Distributor

Applicable to: Eldorado & Seville