lemon-mirror:
Home >> Cadillac >> 1987 >> Cimarron V6-173 2.8L >> Repair and Diagnosis >> Powertrain Management >> Computers and Control Systems >> Air Flow Meter/Sensor Relay >> Locations

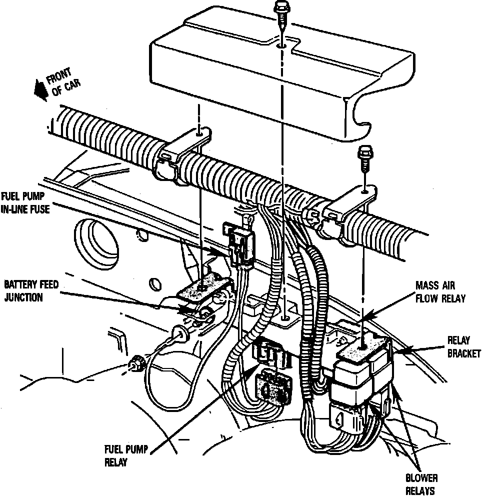
Air Flow Meter/Sensor Relay: Locations

Multi-Use Relay Bracket.:




LH Front Of Dash On Relay Bracket

Applicable to: V6-173/2.8L (VIN W) Engine