lemon-mirror:
Home >> Cadillac >> 1987 >> Allante V8-252 4.1L >> Repair and Diagnosis >> Powertrain Management >> Diagrams >> Electrical Diagrams >> Output Switch Module Data Line

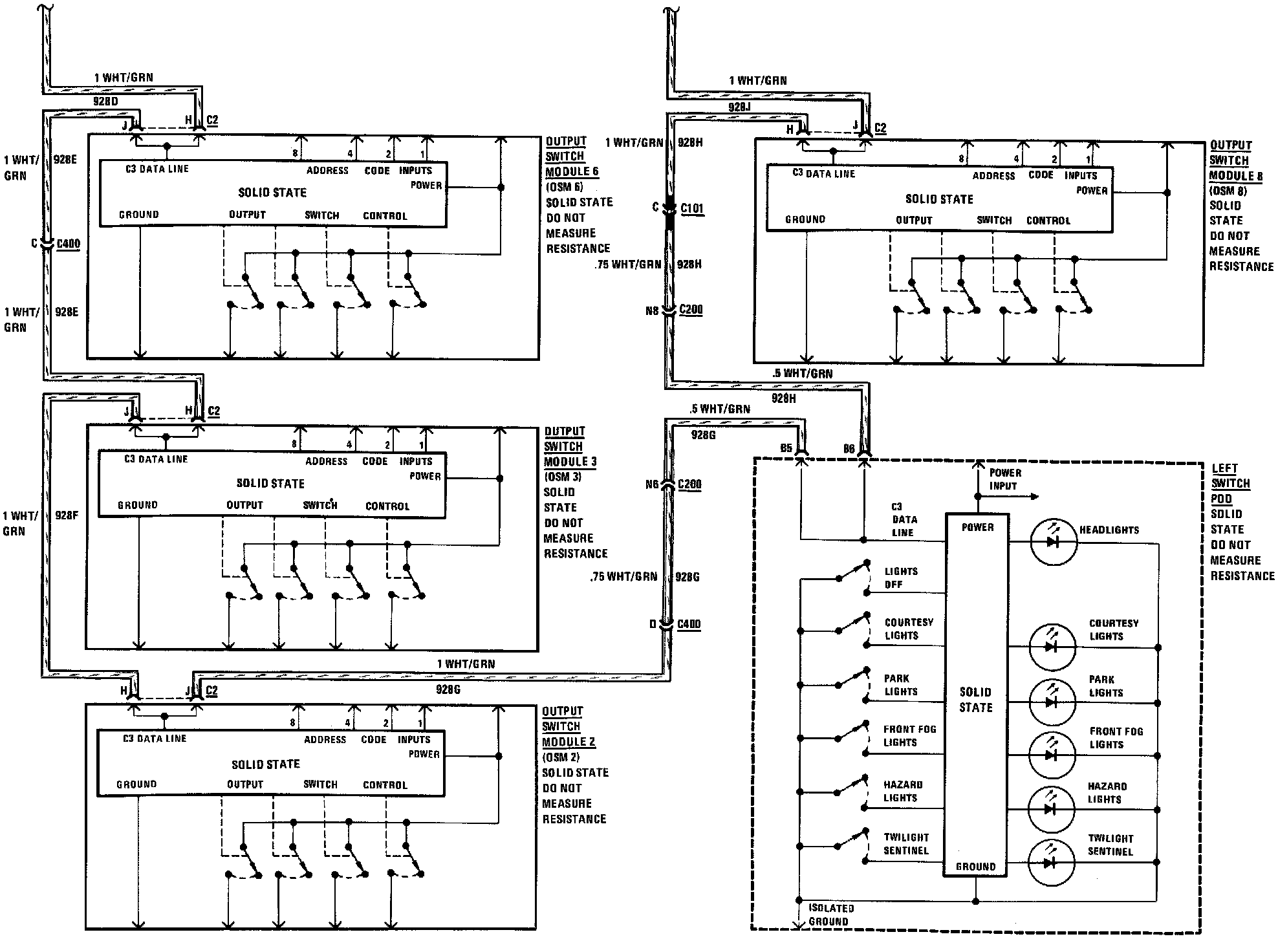
Output Switch Module Data Line

Output Switch Module Data Line (Part 1 Of 2):



Output Switch Module Data Line (Part 2 Of 2):