lemon-mirror:
Home >> Cadillac >> 1987 >> Allante V8-252 4.1L >> Repair and Diagnosis >> Powertrain Management >> Computers and Control Systems >> Engine Control Module >> Technical Service Bulletins >> Customer Interest >> Engine - Intermittent Driveability

Engine - Intermittent Driveability

Bulletin No
T-93-32

File in Group
6E

Number
105

Corp. Ref. No
1216107R

Date
Nov. 1992



SUBJECT:
INTERMITTENT DRIVEABILITY CONDITIONS


MODELS AFFECTED:
1987-1992 ALLANTES


Some 1987-1992 Allantes may experience one or more of the following driveability symptoms:

^ Engine surge/miss at idle with high electrical or A/C load
^ Erratic secondary scope patterns
^ Intermittent stalls
^ Intermittent backfires
^ Intermittent loss of power
^ Black smoke/rotten egg odor from tail pipe
^ Detonation
^ Dieseling
^ Intermittent no start
^ Poor fuel economy

These conditions may be caused by a poor ECM ground. This results in erratic EST operation as commanded by the ECM.





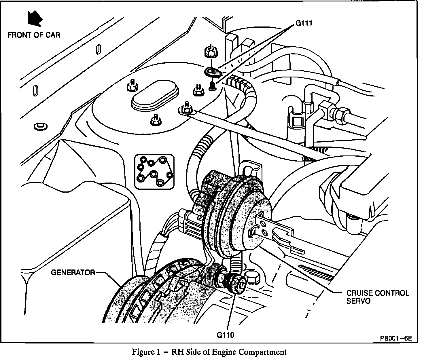
To correct this condition remove the nut and cable for G111 at the right-band shock tower. Remove any paint or primer from this area. Reinstall the cable and nut. Apply appropriate sealer to prevent corrosion. Refer to Figure 1.

For warranty purposes use Labor Operation T6677 at .2 hour.