lemon-mirror:
Home >> Cadillac >> 1987 >> Allante V8-252 4.1L >> Repair and Diagnosis >> Diagrams >> Connector Views >> Interior Lighting Module >> Typical OSM Pinout

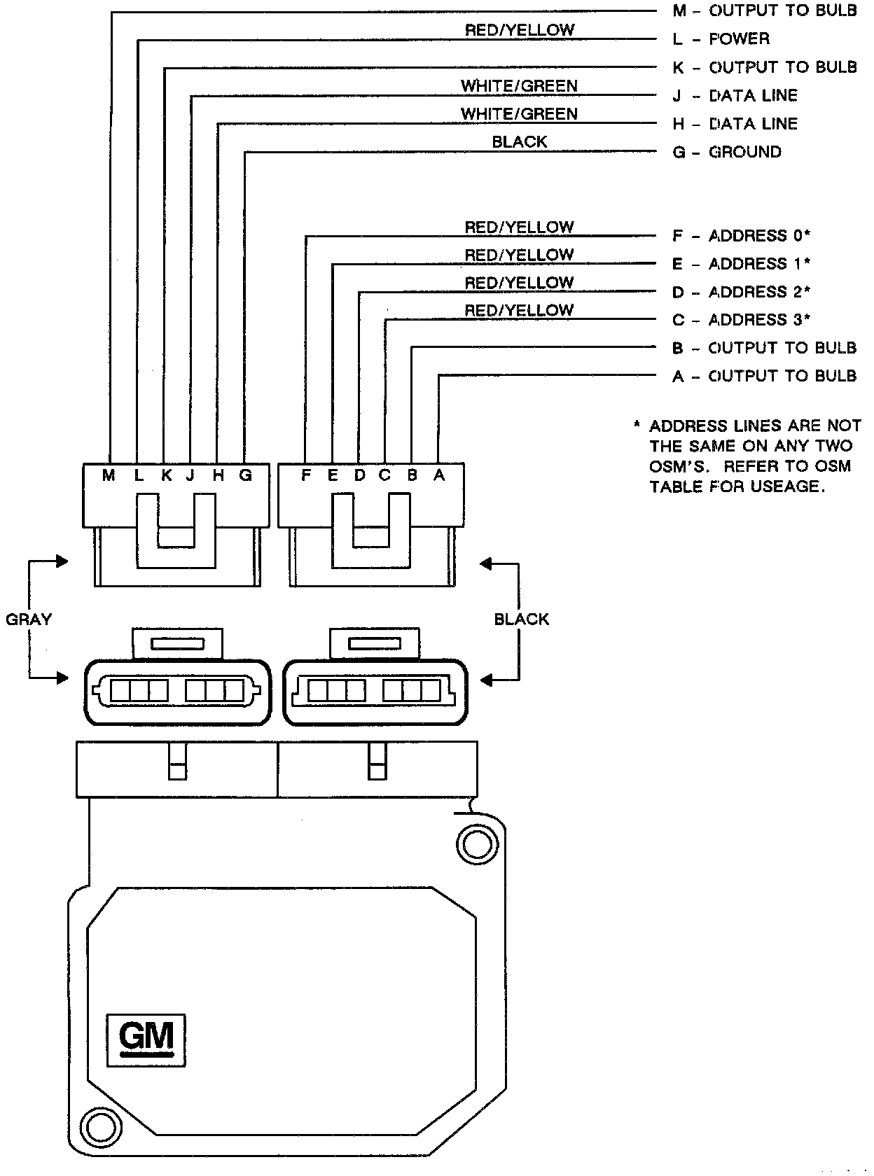
Typical OSM Pinout

Figure 8D3-2 Typical OSM Pinout: