lemon-mirror:
Home >> Cadillac >> 1986 >> Seville V8-252 4.1L >> Repair and Diagnosis >> Powertrain Management >> Computers and Control Systems >> Body Control Module >> Diagrams

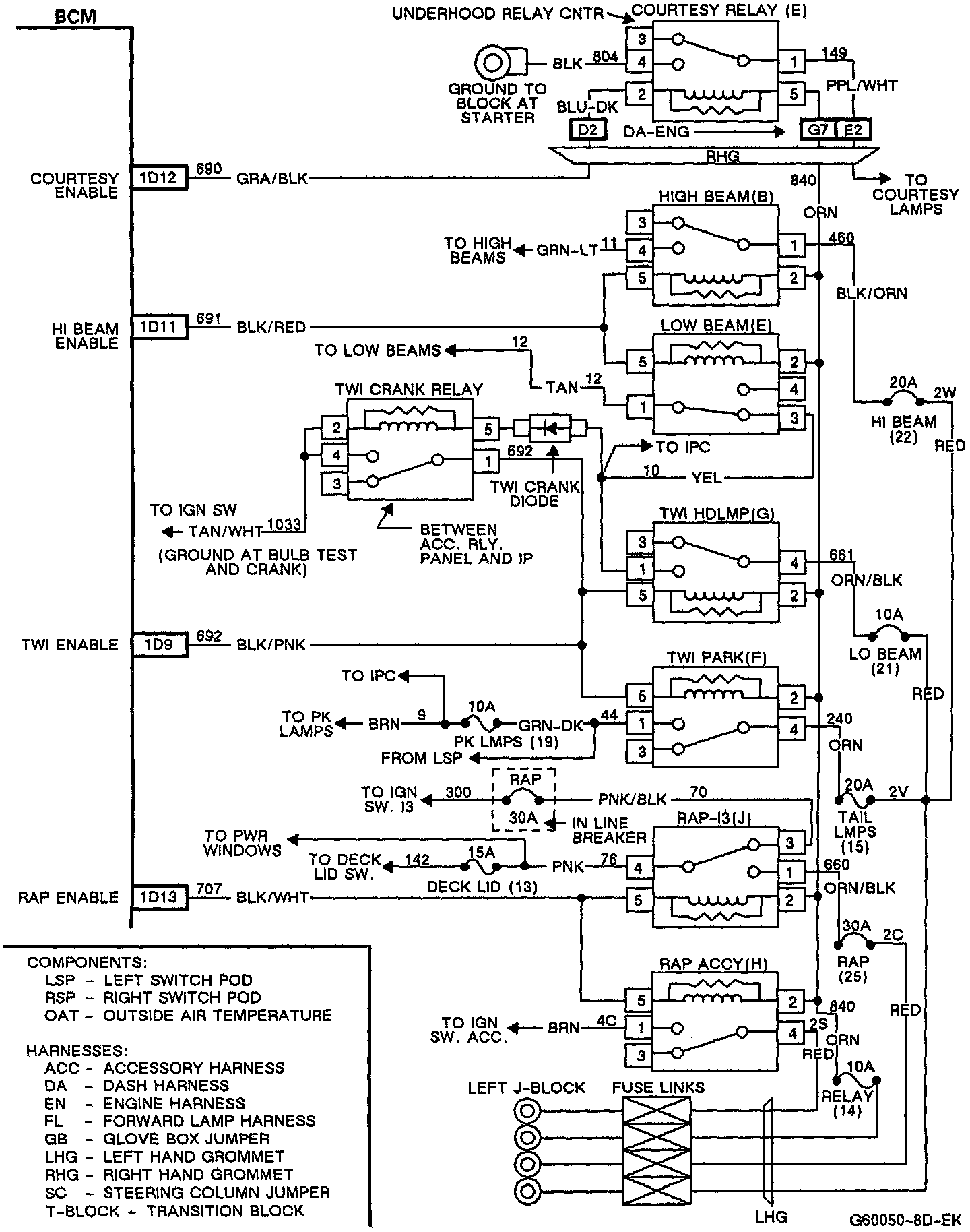
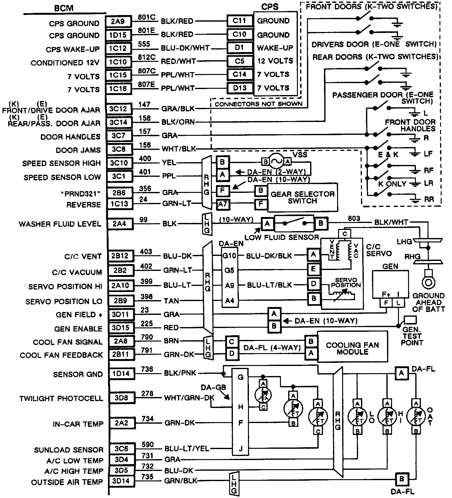
Body Control Module: Diagrams

Diagram:



Connector:



Diagram:



Diagram:



Diagram:



Wire Side BCM Connector View: