lemon-mirror:
Home >> Cadillac >> 1986 >> Cimarron L4-121 2.0L >> Repair and Diagnosis >> Powertrain Management >> Computers and Control Systems >> Air Flow Meter/Sensor Relay >> Locations

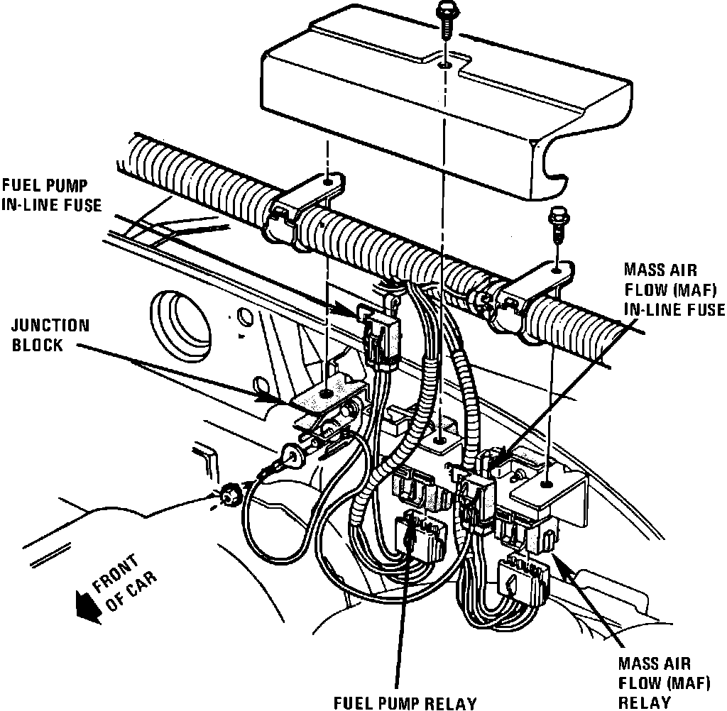
Air Flow Meter/Sensor Relay: Locations

LH Front Of Dash.:




LH Front Of Dash On Relay Bracket

Applicable to: 1986 Cavalier, Cimarron & Firenza