lemon-mirror:
Home >> Cadillac >> 1985 >> Seville V8-252 4.1L >> Repair and Diagnosis >> Powertrain Management >> Computers and Control Systems >> Engine Control Module >> Locations

Engine Control Module: Locations

Behind RH Side Of I/P.:




Behind RH Side Of I/P

Applicable to: 1984-85 Eldorado & Seville

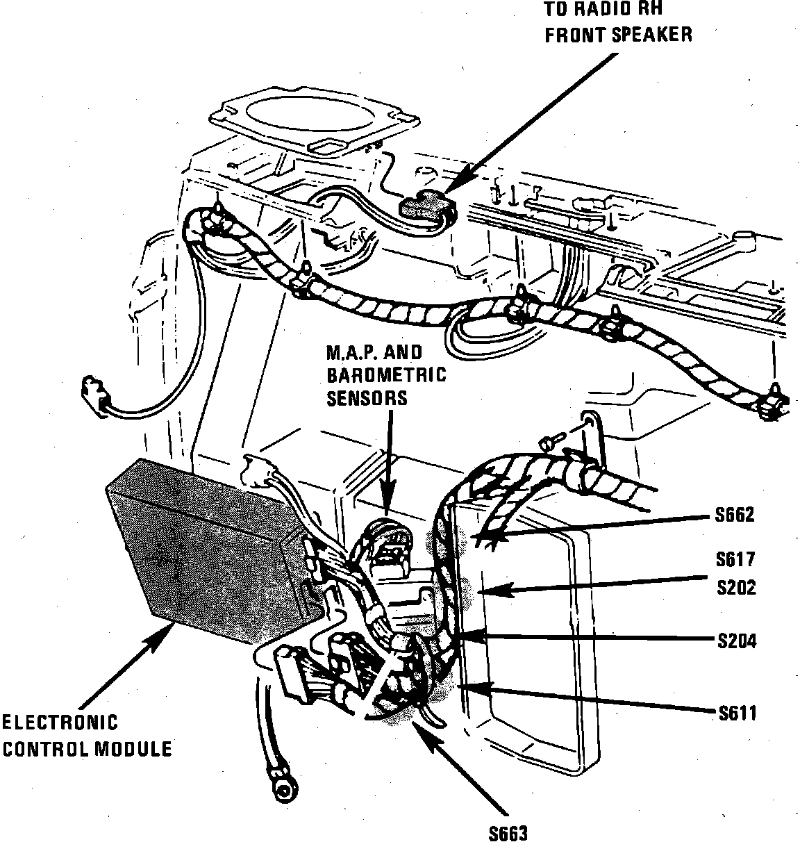
Behind RH Side Of I/P.:




Behind RH Side Of I/P

Applicable to: 1984-85 Eldorado & Seville w/Gasoline Engine

Behind I/P, Near Glove Box.:




Behind RH Side Of I/P

Applicable to: 1981-83 Eldorado & Seville