lemon-mirror:
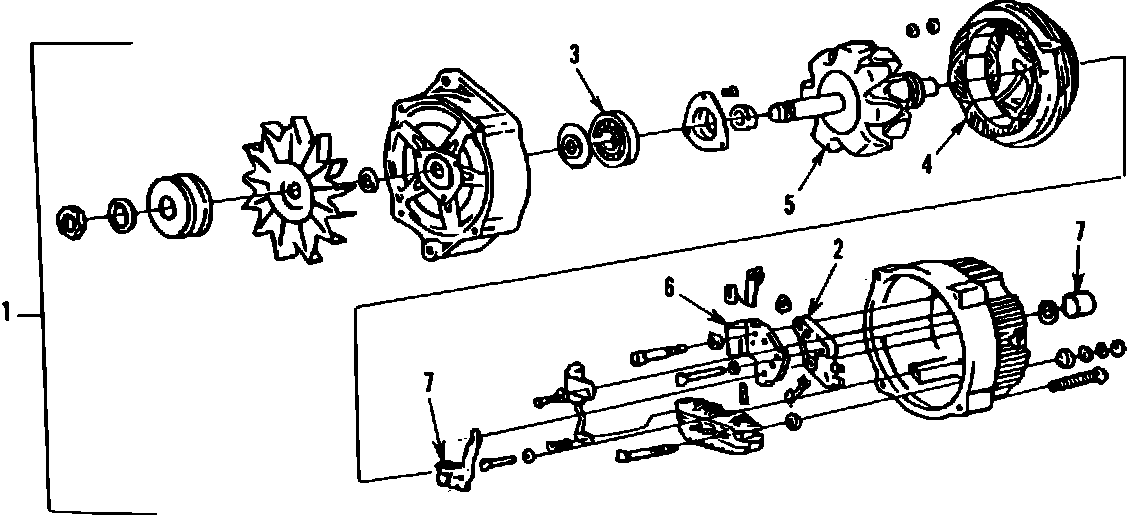
Home >> Cadillac >> 1985 >> Seville V8-252 4.1L >> Parts and Labor >> Starting and Charging >> Charging System >> Images

Images

Charging System: