lemon-mirror:
Home >> Cadillac >> 1982 >> Seville V6-252 4.1L >> Repair and Diagnosis >> Diagrams >> Connector Views >> Engine Control Module

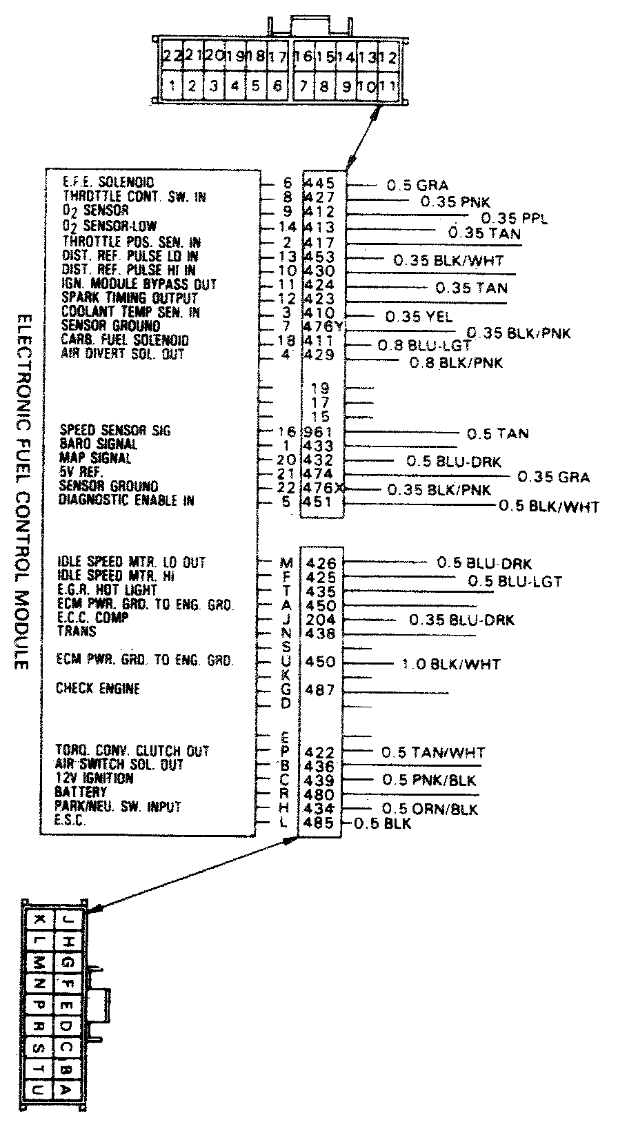
Engine Control Module