lemon-mirror:
Home >> Buick >> 2013 >> Regal L4-2.0L Turbo >> Repair and Diagnosis >> Specifications >> Mechanical Specifications >> Engine >> Timing Cover

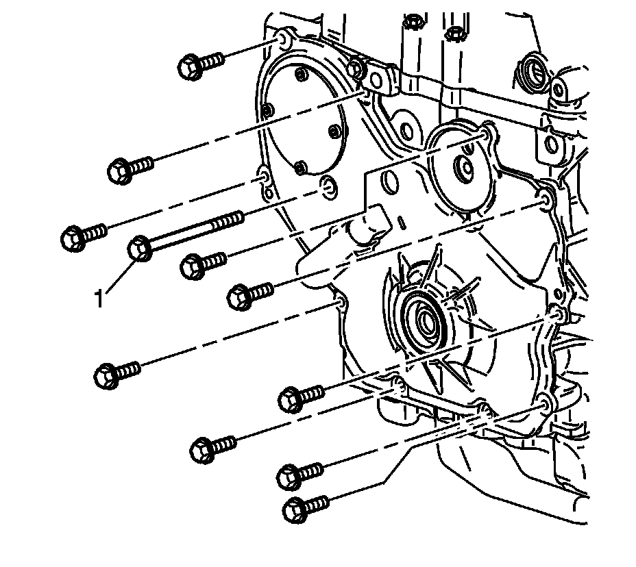
Timing Cover














Long water pump bolt (1) 25 Nm (18 lb ft)
Front Cover to Block Bolts 25 Nm (18 lb ft)