lemon-mirror:
Home >> Buick >> 2013 >> LaCrosse FWD L4-2.4L >> Repair and Diagnosis >> Powertrain Management >> Computers and Control Systems >> Fuel Level Sensor >> Locations

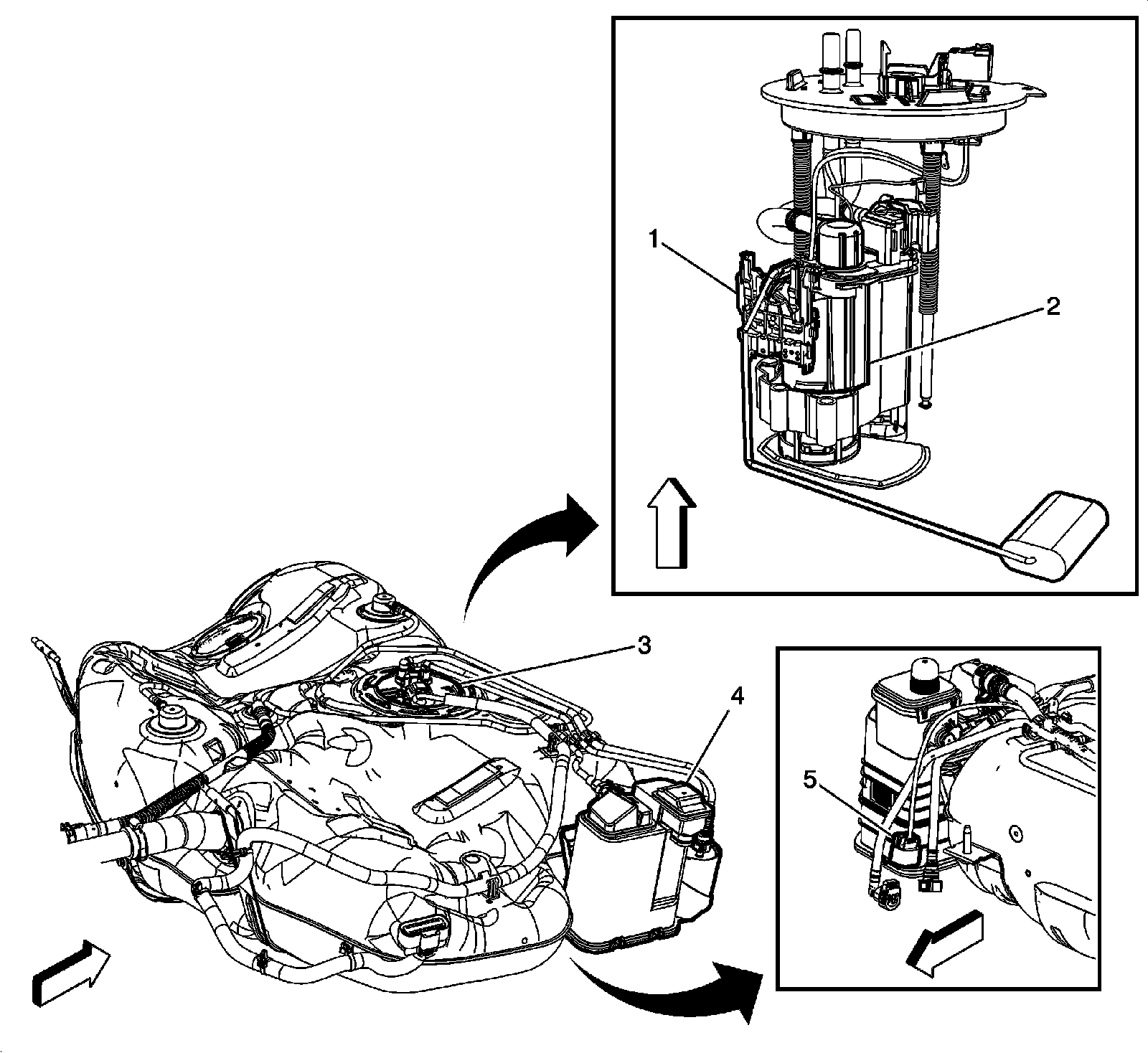
Fuel Level Sensor: Locations




Wheels/Vehicle Underbody Component Views

Fuel Tank Components





1 - B46B Fuel Level Sensor - Secondary (F46)

2 - G12 Fuel Pump

3 - A7 Fuel Pump and Level Sensor Assembly

4 - Q13 Evaporative Emission Vent Solenoid Valve

5 - B47 Fuel Pressure Sensor