lemon-mirror:
Home >> Buick >> 2012 >> Verano L4-2.4L >> Repair and Diagnosis >> Powertrain Management >> Computers and Control Systems >> Transmission Position Sensor/Switch >> Service and Repair

Transmission Position Sensor/Switch: Service and Repair




Manual Shift Detent Lever with Shaft Position Switch Assembly Replacement

Special Tools

DT-41229 - Manual Shaft Pin Installer

For equivalent regional tools, refer to Special Tools Tools and Equipment.

Removal Procedure

1. Remove the control valve body. Refer to Control Valve Body Replacement Control Valve Body Replacement.




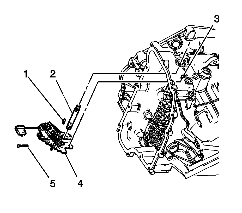
2. Remove the manual shaft detent lever hub pin (1) using a pry bar and pliers.

3. Remove and DISCARD the manual shift shaft pin (5) using diagonal pliers or equivalent tool.

4. Remove the manual shaft (2).

5. Disconnect the actuator rod (3) from the detent lever assembly. Do not remove the actuator rod from the transmission case.

Note: Do not pull the park actuator rod end out beyond the machined oil passage surface in the case. A no park condition will exist if the park pawl actuator assembly is pulled out of the transmission too far and the actuator rod disengages from the park pawl. The transmission assembly will require disassembly to re-install the actuator rod over the park pawl.

6. Remove the manual shaft detent (with shift position switch) lever assembly (4).

Installation Procedure




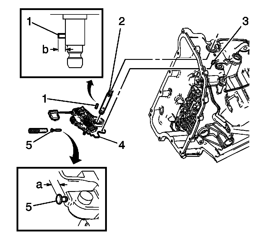
1. Connect the actuator rod (3) to the detent lever assembly.

2. Install the manual shaft detent (with shift position switch) lever assembly (4).

3. Install the manual shaft (2).

4. Install the manual shaft detent lever hub pin (1) to height of 7.9 mm (0.38 in) (b).

Caution:
Use J 41229 to install the manual shaft pin at the correct height in order to properly secure the manual shaft. If you install the pin too deep, the case bore may crack.

5. Install the NEW manual shift shaft pin (5) using DT-41229 - pin installer. Use a NEW pin to ensure proper engagement with the case.

6. Inspect pin installed height is within 7.2-8.2 mm (0.28-0.32 in) (a).

7. Install the control valve body. Refer to Control Valve Body Replacement Control Valve Body Replacement.

8. Perform the transmission adaptive values learn procedure. Refer to Transmission Adaptive Values Learn Programming and Relearning.