lemon-mirror:
Home >> Buick >> 2012 >> Verano L4-2.4L >> Repair and Diagnosis >> Heating and Air Conditioning >> Control Module HVAC >> Locations >> Blower Motor Control Module

Blower Motor Control Module




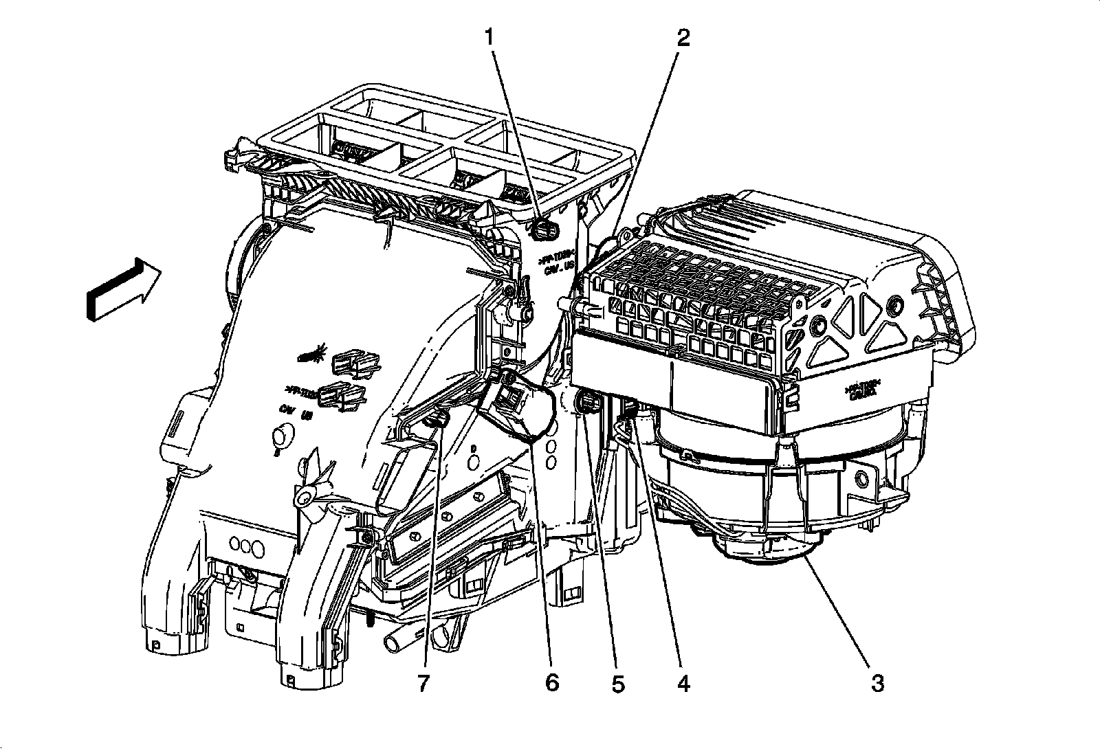
Instrument Panel/Center Console Component Views

Right HVAC Components





1 - B7H Air Temperature Sensor - Duct Left Upper

2 - M4 Air Inlet Door Actuator

3 - M8 Blower Motor

4 - K8 Blower Motor Control Module

5 - B39 A/C Evaporator Temperature Sensor

6 - M6 Air Temperature Door Actuator

7 - B7J Air Temperature Sensor - Duct Right Upper