lemon-mirror:
Home >> Buick >> 2012 >> Verano L4-2.4L >> Repair and Diagnosis >> Diagrams >> Electrical Diagrams >> Locks >> Keyless Entry Transmitter

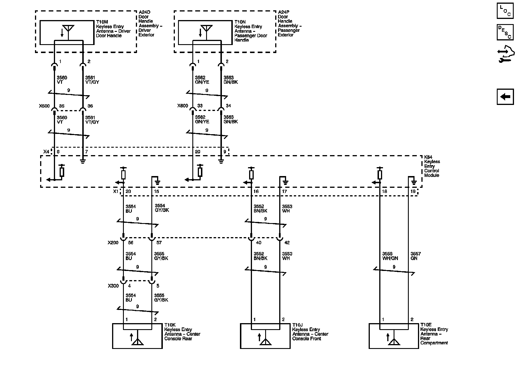
Keyless Entry Transmitter




Remote Function Schematics

Keyless Entry






Passive Entry (ATH with BTM)






Passive Entry and Passive Start Antennas (ATH wth BTM)