lemon-mirror:
Home >> Buick >> 2012 >> LaCrosse FWD L4-2.4L >> Repair and Diagnosis >> Hybrid Drive Systems >> Battery System, Hybrid Drive >> Service and Repair >> Generator Control Module Replacement

Generator Control Module Replacement




Generator Control Module Replacement

Removal Procedure

Danger: Ensure all High Voltage safety procedures are followed. Failure to follow the procedure exactly as written may result in serious injury or death.


Danger: Always perform the High Voltage Disabling procedure prior to servicing any High Voltage component or connection. Personal Protection Equipment (PPE) and proper procedures must be followed.


The High Voltage Disabling procedure will perform the following tasks:


* Identify how to disable high voltage.

* Identify how to test for the presence of high voltage.

* Identify condition under which high voltage is always present and personal protection equipment (PPE) and proper procedures must be followed.


Before working on any high voltage system, be sure to wear the following Personal Protection Equipment:


* Safety glasses with appropriate side shields when within 15 meters (50 feet) of the vehicle, either indoors or outdoors.

* Certified and up-to-date Class "0" Insulation gloves rated at 1000V with leather protectors.


- Visually and functionally inspect the gloves before use.

- Wear the Insulation gloves with leather protectors at all times when working with the high voltage battery assembly, whether the system is energized or not.


Failure to follow the procedures exactly as written may result in serious injury or death.


1. Disable the hybrid battery. Refer to High Voltage Disabling High Voltage Disabling.
2. Remove the generator high voltage cables. Refer to Generator Battery Control Wiring Harness Replacement (Generator Battery Discon Relay to B2) Generator Battery Control Wiring Harness Replacement (Generator Battery Discon Relay to B2)Generator Battery Control Wiring Harness Replacement (B1 and B2 to BECM Junction Block) Generator Battery Control Wiring Harness Replacement (B1 and B2 to BECM Junction Block)Generator Battery Control Wiring Harness Replacement (B2 to BDU1 Contactor) Generator Battery Control Wiring Harness Replacement (B2 to BDU1 Contactor).




3. Remove the following:

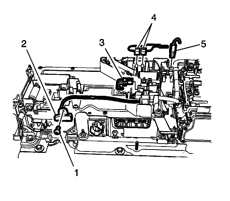
* High Voltage Cut-Off Switch Fastener (1) and the High Voltage Cut-Off Switch (2).
* Current Sensor Connector (3).
* Pre-charge Terminal Connectors (4).
* High Voltage Contactor Connector (5).




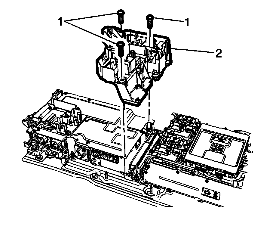
4. Remove the BDU1 mounting fasteners (1) and the BDU1 (2) from the top of the generator control module.




5. Remove the BDU2 mounting fasteners (1) and the BDU2 (2) from the top of the generator control module.




6. Remove the generator control module mounting fasteners (1) and (2).
7. Remove the generator control module (3) from the support tray.

Installation Procedure

1. Inspect the foam seals to ensure they will not compromise the internal air flow through the generator control module assembly.





Caution: Refer to Fastener Caution Fastener Caution.

2. Install the generator control module (3) to the support tray studs. Tighten the fastener (1) to 9 Nm (80 lb in).
Note: Do not slide the generator control module on the foam seals as the seals may become damaged.

3. Tighten the remaining fasteners (2) to 9 Nm (80 lb in).




4. Install the BDU2 (2) to the top of the generator control module and tighten the fasteners (1) to 9 Nm (80 lb in).




5. Install the BDU1 (2) to the top of the generator control module and tighten the fasteners (1) to 9 Nm (80 lb in).




6. Connect the following:

* Current Sensor Connector (3).
* Pre-charge Terminal Connectors (4).
* High Voltage Contactor Connector (5).

7. Install the high voltage cut-off switch (2) and tighten the fastener (1) to 4 Nm (48 lb in).
8. Install the generator high voltage cables. Refer to Generator Battery Control Wiring Harness Replacement (Generator Battery Discon Relay to B2) Generator Battery Control Wiring Harness Replacement (Generator Battery Discon Relay to B2)Generator Battery Control Wiring Harness Replacement (B1 and B2 to BECM Junction Block) Generator Battery Control Wiring Harness Replacement (B1 and B2 to BECM Junction Block)Generator Battery Control Wiring Harness Replacement (B2 to BDU1 Contactor) Generator Battery Control Wiring Harness Replacement (B2 to BDU1 Contactor).
9. Enable the hybrid battery. Refer to High Voltage Enabling High Voltage Enabling.
10. Program the generator control module. Refer to Control Module References Control Module References.