lemon-mirror:
Home >> Buick >> 2011 >> Lucerne V8-4.6L >> Repair and Diagnosis >> Powertrain Management >> Computers and Control Systems >> Relays and Modules - Computers and Control Systems >> Engine Control Module >> Locations

Engine Control Module: Locations




Powertrain Component Views

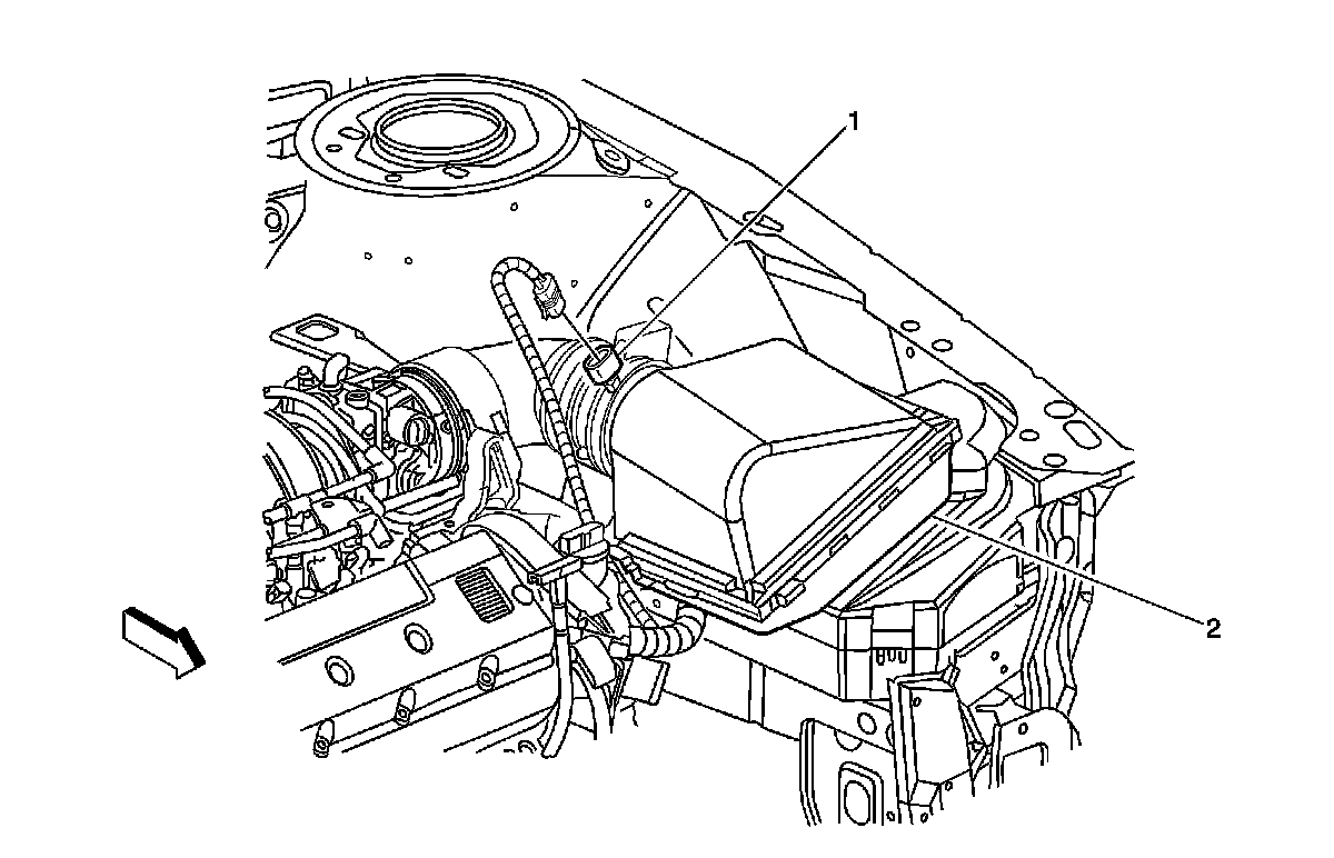
Left Front Corner of Engine Compartment Components (L37)




1 - Mass Air Flow (MAF)/Intake Air Temperature (IAT) Sensor
2 - Engine Control Module (ECM) (in the Air Cleaner Assembly)