lemon-mirror:
Home >> Buick >> 2011 >> Lucerne V6-3.9L >> Repair and Diagnosis >> Locations >> Component Locations >> Powertrain Component Views >> Top of Engine Components

Top of Engine Components




Powertrain Component Views

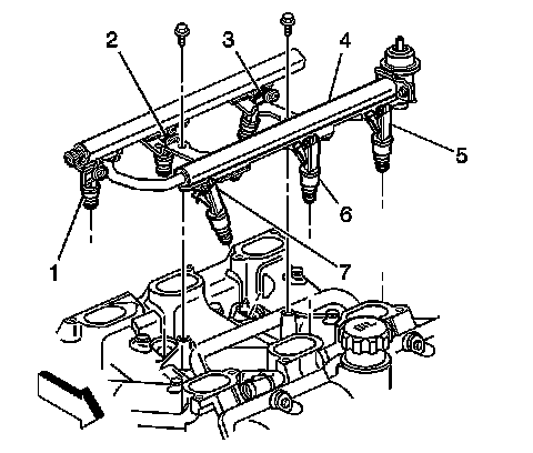
Top of Engine Components (LZ9 or LGD)




1 - Fuel Injector 1
2 - Fuel Injector 3
3 - Fuel Injector 5
4 - Fuel Rail
5 - Fuel Injector 6
6 - Fuel Injector 4
7 - Fuel Injector 2