lemon-mirror:
Home >> Buick >> 2011 >> Lucerne V6-3.9L >> Repair and Diagnosis >> Heating and Air Conditioning >> Control Module HVAC >> Locations >> HVAC Module Components (CJ2)

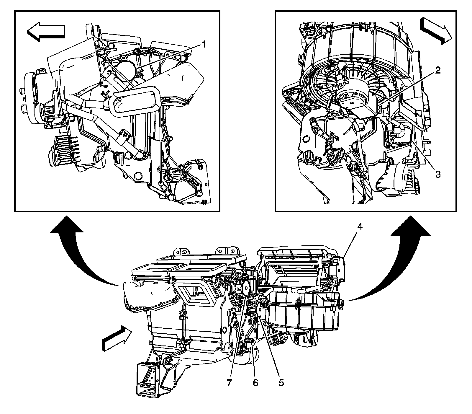
HVAC Module Components (CJ2)




Instrument Panel/Center Console Component Views

HVAC Module Components (CJ2)




1 - Air Temperature Actuator - Left (CJ4/CJ2)
2 - Blower Motor
3 - Blower Motor Control Module
4 - Recirculation Actuator
5 - Air Temperature Actuator - Front Right (CJ4/CJ2)
6 - EVAP Temperature Sensor
7 - Mode Actuator