lemon-mirror:
Home >> Buick >> 2011 >> Lucerne V6-3.9L >> Repair and Diagnosis >> Heating and Air Conditioning >> Control Module HVAC >> Locations >> HVAC Module Components (C67)

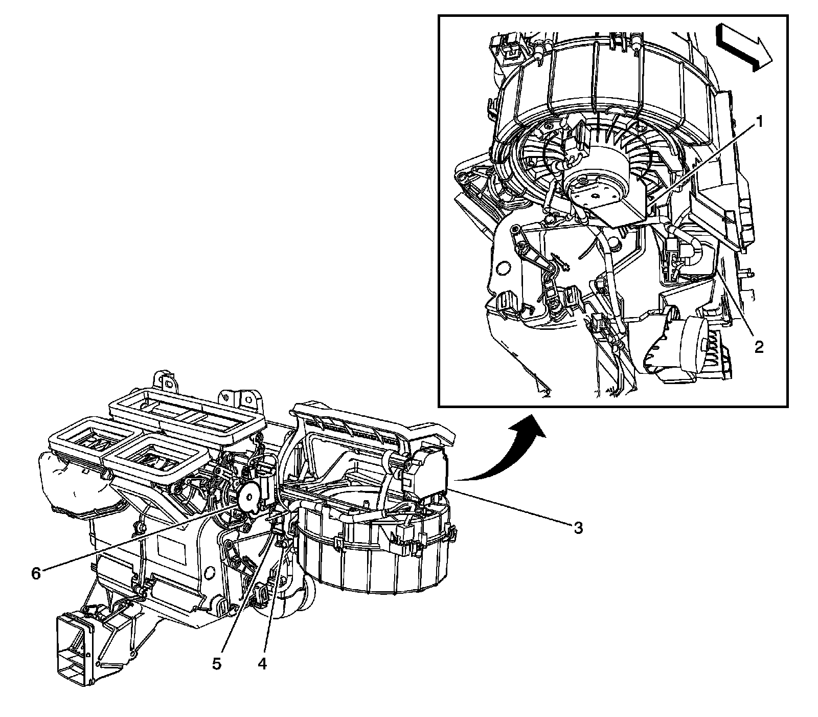
HVAC Module Components (C67)




Instrument Panel/Center Console Component Views

HVAC Module Components (C67)




1 - Blower Motor
2 - Blower Motor Control Module
3 - Recirculation Actuator
4 - EVAP Temperature Sensor
5 - Air Temperature Actuator
6 - Mode Actuator