lemon-mirror:
Home >> Buick >> 2011 >> Lucerne V6-3.9L >> Repair and Diagnosis >> Body and Frame >> Frame >> Subframe >> Rear Subframe >> Service and Repair >> Rear Support Replacement

Rear Support Replacement






Rear Support Replacement


Removal Procedure

1.Raise and support the vehicle. Refer to Lifting and Jacking the Vehicle .

2.Remove the rear tires and the wheels. Refer to Tire and Wheel Removal and Installation .

3.Remove the exhaust system. Refer to Exhaust System Replacement .

4.Remove the coil springs. Refer to Coil Spring Replacement .





5.Disconnect the electrical connector from each wheel speed sensor and remove the wire from the rear support.





6.Remove the electronic level control link (2) from the ball stud (1) on the lower control arm.

7.Disconnect the park brake cables from both calipers and remove cables from suspension support assembly. Refer to Parking Brake Rear Cable Replacement - Left Side and Parking Brake Rear Cable Replacement - Right Side .

8.Remove the brake calipers and support calipers from vehicle underbody. Refer to Rear Brake Caliper Replacement .

9.Support the rear suspension support assembly with a transmission jack.





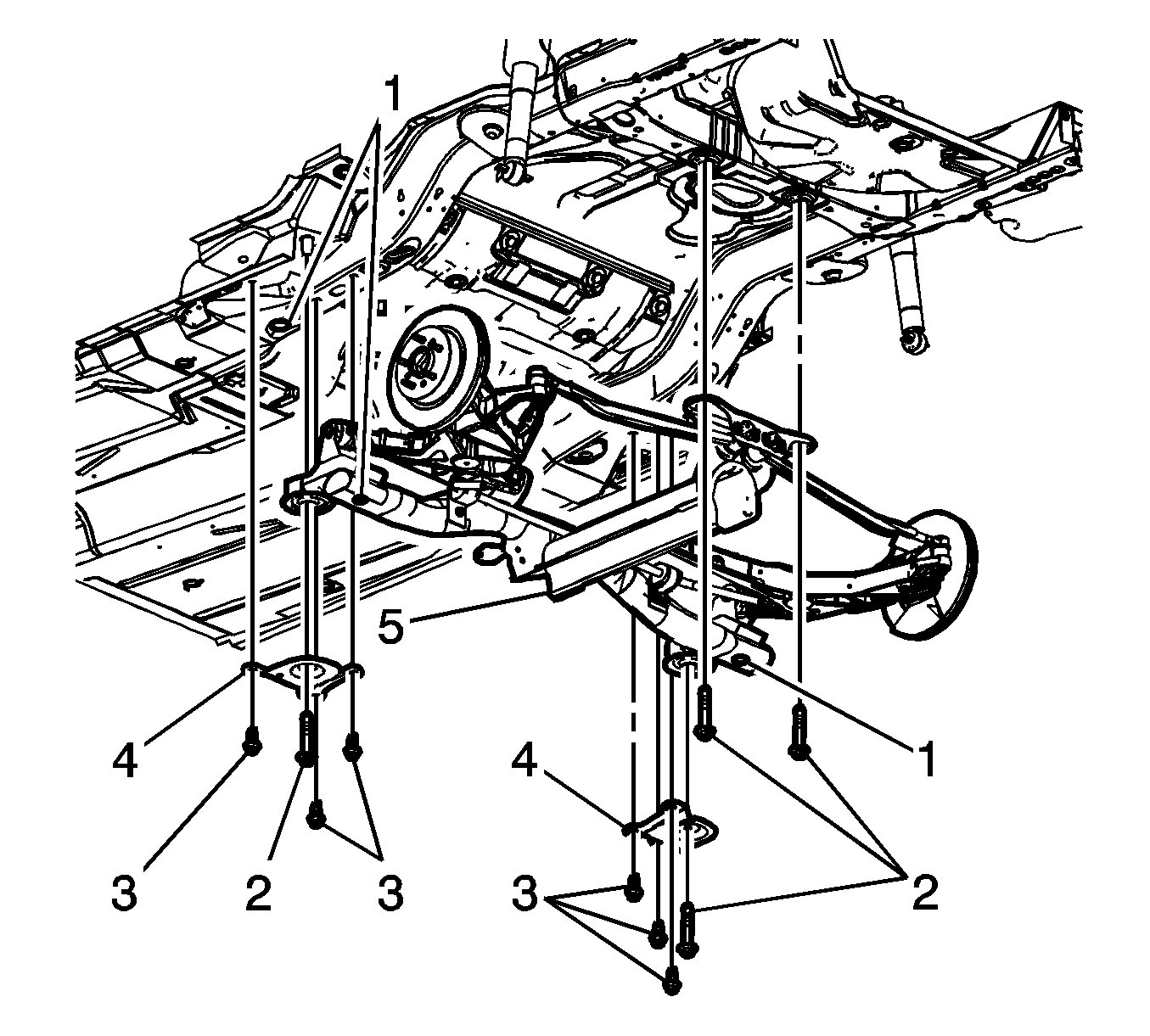
10.Remove the 6 suspension support reinforcement brace bolts (3).

11.Remove the 4 suspension support assembly bolts (2).

12.Remove the 2 suspension support reinforcement braces (4).

13.Lower the transmission jack and remove the suspension support assembly (5).

14.Transfer all necessary parts from the old support to the new support.

Installation Procedure





1.Raise the suspension support assembly (5) into position with the transmission jack.

2.Install the 2 suspension support reinforcement braces (4).

3.loosely install the 6 suspension support reinforcement brace bolts (3).

4.Align the suspension support assembly utilizing the alignment gauge holes (1).

Caution:Refer to Fastener Caution .

5.Install the 4 suspension support assembly bolts (2).

TightenTighten the bolts to 191 N �m (141 lb ft).

6.finish securing the 6 suspension support reinforcement brace bolts (3).

TightenTighten the bolts to 86 N �m (63 lb ft).





7.Install the brake calipers. Refer to Rear Brake Caliper Replacement .

8.Install the park brake cables to the suspension support assembly and connect the cables to both calipers. Refer to Parking Brake Rear Cable Replacement - Left Side and Parking Brake Rear Cable Replacement - Right Side .

9.Install the electronic level control link (2) to the ball stud (1) on the lower control arm.





10.Attach the wheel speed sensor wire to the rear support and connect the electrical connector to each wheel speed sensor.

11.Install the coil springs. Refer to Coil Spring Replacement .

12.Install the exhaust system. Refer to Exhaust System Replacement .

13.Install the tires and the wheels. Refer to Tire and Wheel Removal and Installation .