lemon-mirror:
Home >> Buick >> 2010 >> Lucerne V6-3.9L >> Repair and Diagnosis >> Locations >> Component Locations >> Powertrain Component Views

Powertrain Component Views




Powertrain Component Views

Automatic Transmission Components (MH1)




1 - Torque Converter Clutch (TCC) Pulse Width Modulated (PWM) Solenoid Valve
2 - Pressure Control Solenoid (PCS) Valve
3 - Automatic Transmission Input Shaft Speed (ISS) Sensor
4 - Automatic Transmission Output Shaft Speed (OSS) Sensor
5 - 1-2 and 2-3 Shift Solenoid (1-2 SS) (2-3 SS) Valves
6 - Automatic Transmission Internal Mode Switch (IMS)
7 - Automatic Transmission Fluid Temperature (TFT) Sensor

Left Front Corner of Engine Compartment Components (L37)




1 - Mass Air Flow (MAF)/Intake Air Temperature (IAT) Sensor
2 - Engine Control Module (ECM) (in the Air Cleaner Assembly)

Left Front of Engine Compartment Components (L37 or NU6)




1 - Secondary Air Injection (AIR) Pump

Left Front of Engine Compartment Components (LZ9 or LGD)




1 - Mass Air Flow (MAF)/Intake Air Temperature (IAT) Sensor

Front of Engine Components (L37 1of 2)




1 - Valve Cover
2 - Ignition Coil/Module 2
3 - Ignition Coil/Module 4
4 - Ignition Coil/Module 6
5 - Ignition Coil/Module 8
6 - Heated Oxygen Sensor (HO2S) - Bank 2 Sensor 1
7 - Engine Oil Pressure (EOP) Switch

Front of Engine Components (L37 2 of 2)




1 - Engine Cover - 4.6L
2 - A/C Compressor Clutch
3 - Generator
4 - G110

Front of Engine Components (LZ9 or LGD)




1 - Intake Manifold Tuning (IMT) Valve Solenoid
2 - Evaporative Emission (EVAP) Canister Purge Solenoid Valve
3 - Throttle Body
4 - Heated Oxygen Sensor (HO2S) - Bank 1 Sensor 1
5 - Knock Sensor (KS) 2
6 - Starter Solenoid
7 - Starter Motor
8 - Engine Oil Pressure (EOP) Sensor
9 - Camshaft Position (CMP) Actuator Solenoid Valve
10 - Camshaft Position (CMP) Sensor

Lower Left Front of Engine Components (LZ9 or LGD)




1 - Engine Oil Pressure (EOP) Sensor
2 - Starter Motor
3 - Starter Solenoid
4 - Knock Sensor (KS) 2

Left Rear of Engine Components (L37)




1 - Evaporative Emission (EVAP) Canister Purge Solenoid Valve
2 - Exhaust Gas Recirculation (EGR) Valve

Left Side and Rear of Engine Components (L37)




1 - Throttle Body
2 - Manifold Absolute Pressure (MAP) Sensor
3 - Valve Cover
4 - Heated Oxygen Sensor (HO2S) - Bank 1 Sensor 1
5 - Engine Coolant Temperature (ECT) Sensor
6 - Heated Oxygen Sensor (HO2S) - Bank 2 Sensor 1

Left Side and Rear of Engine Components (LZ9 or LGD)




1 - Throttle Body
2 - Manifold Absolute Pressure (MAP) Sensor
3 - Ignition Control Module (ICM)
4 - Heated Oxygen Sensor (HO2S)
5 - Knock Sensor (KS) 1
6 - Block Heater
7 - Crankshaft Position (CKP) Sensor
8 - Engine Oil Level Sensor
9 - Starter Motor
10 - Engine Coolant Temperature (ECT) Sensor

Top of Engine Components (L37)




1 - Starter Motor
2 - Manifold Absolute Pressure (MAP) Sensor
3 - Throttle Body
4 - Fuel Injector 8
5 - Ignition Coil/Module 8
6 - Fuel Injector 6
7 - Ignition Coil/Module 6
8 - Knock Sensor (KS) 2
9 - Fuel Injector 4
10 - Ignition Coil/Module 4
11 - Ignition Coil/Module 2
12 - Fuel Injector 2
13 - Crankshaft Position (CKP) Sensor
14 - Knock Sensor (KS) 1
15 - Camshaft Position (CMP) Sensor
16 - Ignition Coil/Module 1
17 - Ignition Coil/Module 3
18 - Fuel Injector 1
19 - Ignition Coil/Module 5
20 - Fuel Injector 3
21 - Ignition Coil/Module 7
22 - Fuel Injector 5
23 - Fuel Injector 7

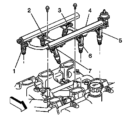
Top of Engine Components (LZ9 or LGD)




1 - Fuel Injector 1
2 - Fuel Injector 3
3 - Fuel Injector 5
4 - Fuel Rail
5 - Fuel Injector 6
6 - Fuel Injector 4
7 - Fuel Injector 2

Top Rear of Engine Components (L37)




1 - Secondary Air Injection (AIR) Check Valve

Under Front Center of Vehicle Components (L37)




1 - Heated Oxygen Sensor (HO2S) 2