lemon-mirror:
Home >> Buick >> 2009 >> LaCrosse V6-3.8L >> Repair and Diagnosis >> Diagrams >> Exploded Views >> Engine

Engine




Disassembled Views

Engine Block and Components




1 - Balance Shaft Gear Bolt
2 - Balance Shaft Driven Gear
3 - Balance Shaft Retainer Bolt
4 - Balance Shaft Retainer
5 - Balance Shaft Gear Pin
6 - Balance Shaft
7 - Balance Shaft Rear Bushing
8 - Engine Mount Strut Access Hole Plug
9 - Engine Front Cover Location Pin
10 - Engine Block
11 - Connecting Rod Bolt
12 - Connecting Rod Bearing Cap
13 - Connecting Rod Bearing
14 - Connecting Rod
15 - Piston Pin Retainer
16 - Piston Pin
17 - Piston Oil Ring
18 - Piston Compression Lower Ring
19 - Piston Compression Upper Ring
20 - Piston
21 - Crankshaft Rear Oil Seal Housing Bolt
22 - Crankshaft Rear Oil Seal Housing
23 - Crankshaft Rear Oil Seal Housing Gasket
24 - Cylinder Head Location Pin
25 - Transmission Locating Pin
26 - Starter Motor Heat Shield Bolt
27 - Starter Motor Heat Shield Bolt
28 - Oil Level Indicator
29 - Oil Level Indicator Tube Nut
30 - Oil Level Indicator Tube Seal
31 - Oil Level Indicator Tube
32 - Starter Motor Heat Shield
33 - Knock Sensor
34 - Oil Pump Screen Seal
35 - Oil Pump Screen
36 - Oil Pump Screen Bolt
37 - Engine Block Expansion Plug
38 - Engine Front Cover Location Pin
39 - Drive Belt Idler Pulley Bracket Bolt
40 - Drive Belt Idler Pulley
41 - Drive Belt Idler Pulley Bolt
42 - Drive Belt Idler Pulley Bracket
43 - Engine Block Coolant Drain Hole Plug
44 - Timing Chain Dampener
45 - Engine Block Oil Gallery Plug
46 - Camshaft Thrust Plate Bolt
47 - Crankshaft Sprocket
48 - Timing Chain
49 - Camshaft Sprocket Bolt
50 - Camshaft Position Sensor Magnet
51 - Camshaft Sprocket
52 - Balance Shaft Drive Gear
53 - Camshaft Thrust Plate
54 - Camshaft Key
55 - Camshaft
56 - Camshaft Bearing
57 - Camshaft Bearing
58 - Camshaft Bearing
59 - Engine Mount Strut Bracket Stud
60 - Engine Block Oil Gallery Plug

Crankshaft and Components




1 - Engine Oil Filter Adapter
2 - Engine Oil Pressure Indicator Switch
3 - Engine Oil Filter Adapter Bolt
4 - Engine Oil Filter Adapter Gasket
5 - Engine Oil Pressure Relief Valve
6 - Camshaft Position Sensor Bolt
7 - Camshaft Position Sensor
8 - Camshaft Position Sensor Seal
9 - Oil Pump Cover
10 - Oil Pump Cover Bolt
11 - Crankshaft
12 - Crankshaft Balancer Key
13 - Crankshaft Upper No. 1, 3 and 4 Bearing
14 - Crankshaft Upper No. 2 Bearing
15 - Crankshaft Rear Oil Seal
16 - Flywheel
17 - Flywheel Bolt
18 - Crankshaft Lower No. 4 Bearing
19 - Crankshaft Lower No. 3 Bearing
20 - Crankshaft Lower No. 2 Bearing
21 - Crankshaft Lower No. 1 Bearing
22 - Crankshaft No. 1 Bearing Cap
23 - Crankshaft Bearing Cap Bolt
24 - Crankshaft Bearing Cap Bolt
25 - Crankshaft No. 2 Bearing Cap
26 - Crankshaft No. 3 Bearing Cap
27 - Crankshaft No. 4 Bearing Cap
28 - Oil Level Indicator Switch
29 - Oil Level Indicator Switch Seal
30 - Oil Pan Bolt
31 - Oil Pan Drain Plug Seal
32 - Oil Pan Drain Plug
33 - Oil Pan
34 - Oil Pan Gasket
35 - Oil Pump Gear Set
36 - Engine Front Cover Gasket
37 - Engine Front Cover
38 - Crankshaft Position Sensor
39 - Crankshaft Position Sensor Stud
40 - Crankshaft Front Oil Seal
41 - Crankshaft Position Sensor Seal
42 - Crankshaft Balancer
43 - Crankshaft Balancer Bolt
44 - Water Pump
45 - Water Pump Bolt
46 - Water Pump Pulley Bolt
47 - Water Pump Pulley
48 - Water Pump Bolt
49 - Water Pump Gasket
50 - Engine Oil Filter Bypass Valve
51 - Engine Oil Filter Fitting
52 - Engine Oil Filter
53 - Engine Oil Pressure Relief Valve Spring
54 - Engine Front Cover Stud
55 - Engine Front Cover Bolt

Intake Manifold and Components




1 - Sequential Multiport Fuel Injection Fuel Rail
2 - Sequential Multiport Fuel Injection Fuel Rail Nut
3 - Fuel Injector Seal
4 - Fuel Injector Retaining Ring
5 - Sequential Multiport Fuel Injector
6 - Fuel Injector Seal
7 - EVAP Purge Valve Bolt
8 - EVAP Purge Valve
9 - EVAP Purge Valve Seal
10 - Throttle Body Bolt
11 - Throttle Body Nut
12 - Throttle Body
13 - Throttle Body Seal
14 - Throttle Body Stud
15 - Engine Coolant Bleed Valve Fitting
16 - Engine Coolant Bleed Valve
17 - Water Outlet Housing
18 - Water Outlet Housing Stud
19 - Engine Coolant Thermostat Seal
20 - Engine Coolant Manifold Bolt
21 - Engine Coolant Manifold
22 - Engine Coolant Manifold Seal
23 - Engine Coolant Temperature Sensor
24 - Lower Intake Manifold Seal
25 - Lower Intake Manifold Gasket
26 - Engine Mount Strut Bracket Nut
27 - Engine Mount Strut Bracket Bolt
28 - Engine Mount Strut Bracket
29 - Engine Mount Strut Bracket
30 - Engine Mount Strut Bracket Bolt
31 - Engine Mount Strut Bracket Bolt
32 - EVAP Purge Valve Bracket
33 - EVAP Purge Valve Bracket Bolt
34 - Lower Intake Manifold
35 - Lower Intake Manifold Bolt
36 - Lower Intake Manifold Stud
37 - Generator Brace Bracket
38 - Generator Brace Bracket Bolt
39 - Generator Brace Bracket Bolt
40 - Engine Coolant Thermostat
41 - Water Outlet Housing Bolt
42 - Upper Intake Manifold Gasket
43 - Upper Intake Manifold
44 - Positive Crankcase Ventilation Valve Seal
45 - Positive Crankcase Ventilation Valve Seal
46 - Positive Crankcase Ventilation Valve
47 - Positive Crankcase Ventilation Valve Spring
48 - Positive Crankcase Ventilation Valve Retainer
49 - MAP Sensor Seal
50 - MAP Sensor
51 - Upper Intake Manifold Bolt
52 - Upper Intake Manifold Stud
53 - Upper Intake Manifold Stud
54 - Upper Intake Manifold Bolt
55 - Vacuum Manifold Seal
56 - Vacuum Manifold

Supercharger and Components - L32




1 - Sequential Multiport Fuel Injection Fuel Rail
2 - Sequential Multiport Fuel Injection Fuel Rail Nut
3 - Fuel Injector Seal
4 - Fuel Injector Retaining Ring
5 - Sequential Multiport Fuel Injector
6 - Fuel Injector Seal
7 - EVAP Purge Valve Bolt
8 - EVAP Purge Valve
9 - EVAP Purge Valve Seal
10 - Throttle Body Bolt
11 - Throttle Body Nut
12 - Throttle Body
13 - Throttle Body Seal
14 - Throttle Body Stud
15 - Supercharger Bypass Valve Nut
16 - Supercharger Bypass Valve Hose
17 - Wastegate Valve
18 - Supercharger Bypass Valve
19 - Wastegate Valve Bolt
20 - Water Outlet Housing Bolt
21 - Engine Coolant Bleed Valve
22 - Engine Coolant Bleed Valve Fitting
23 - Water Outlet Housing
24 - Water Outlet Housing Stud
25 - Engine Coolant Thermostat
26 - Engine Coolant Thermostat Seal
27 - Vacuum Source Manifold Tube
28 - Upper Intake Manifold Gasket
29 - Engine Coolant Manifold Bolt
30 - Engine Coolant Manifold
31 - Engine Coolant Manifold Seal
32 - Engine Coolant Temperature Sensor
33 - Lower Intake Manifold Seal
34 - Lower Intake Manifold Gasket
35 - Lower Intake Manifold
36 - Lower Intake Manifold Bolt
37 - Supercharger Oil Fill Plug
38 - Upper Intake Manifold
39 - Vacuum Source Manifold
40 - Vacuum Source Manifold Bolt
41 - Supercharger Stud
42 - Supercharger Bolt
43 - Supercharger Bolt
44 - Positive Crankcase Ventilation Valve Seal
45 - Positive Crankcase Ventilation Valve
46 - Positive Crankcase Ventilation Valve Spring
47 - Positive Crankcase Ventilation Valve Retainer Seal
48 - Positive Crankcase Ventilation Valve Retainer
49 - Positive Crankcase Ventilation Valve Retainer Bolt
50 - MAP/BARO Sensor Bracket Bolt
51 - MAP/BARO Sensor Bracket
52 - BARO Sensor
53 - MAP/BARO Sensor Retainer Clip
54 - MAP/BARO Sensor Retainer Clip
55 - MAP Sensor
56 - Supercharger Bypass Valve Harness

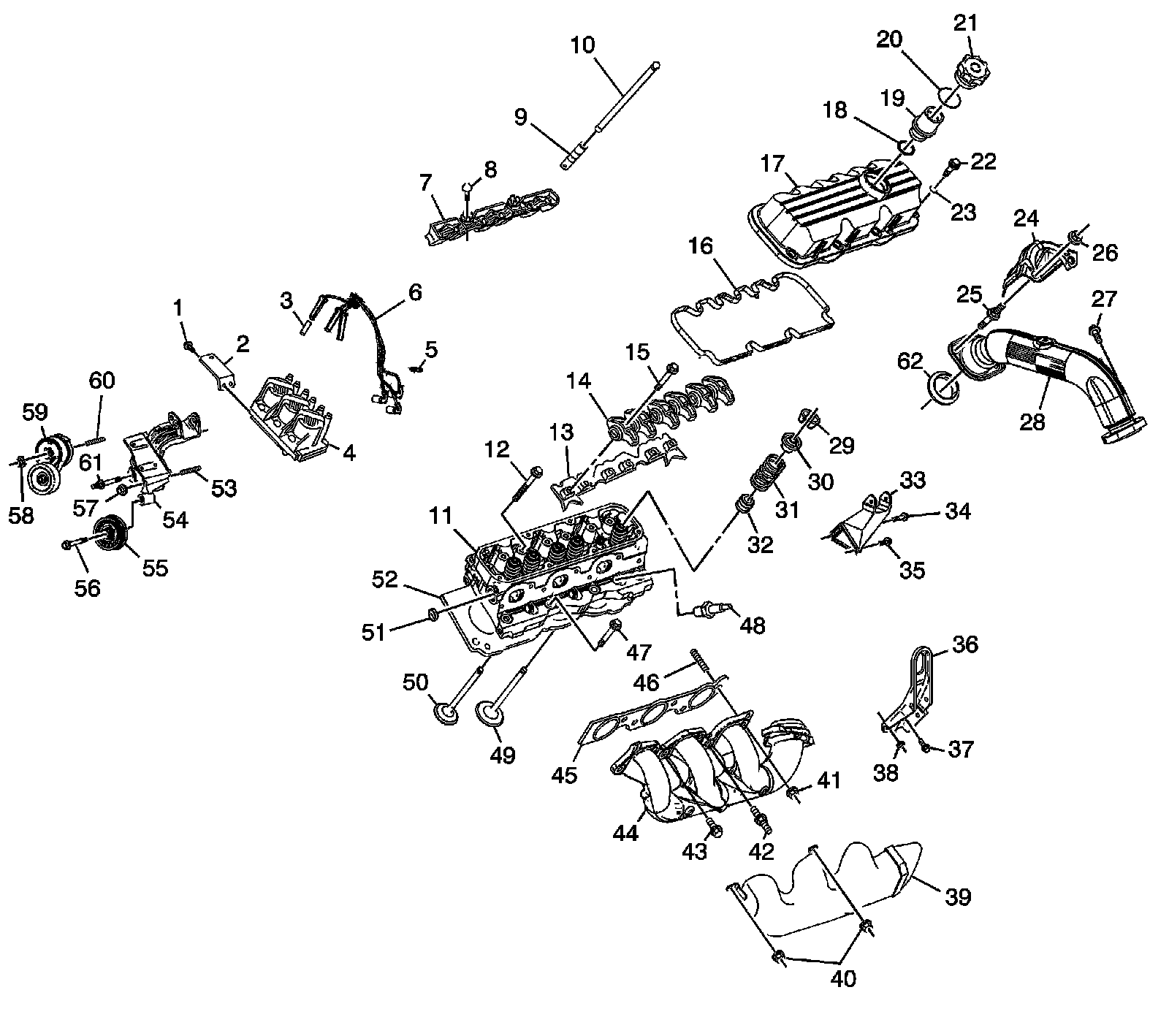
Cylinder Head and Components - Left - L26




1 - Valve Lifter Guide
2 - Valve Lifter Guide Bolt
3 - Valve Lifter
4 - Valve Push Rod
5 - Valve Rocker Arm Cover Gasket
6 - Oil Filler Tube Seal
7 - Oil Filler Tube
8 - Oil Filler Cap Seal
9 - Oil Filler Cap
10 - Valve Rocker Arm Cover Bolt
11 - Valve Rocker Arm Cover Bolt Grommet
12 - Valve Rocker Arm Cover
13 - Valve Stem Key
14 - Valve Stem Cap
15 - Valve Spring
16 - Valve Stem Key
17 - Valve Stem Cap
18 - Valve Spring
19 - Valve Lifter Guide
20 - Valve Stem Oil Seal
21 - Engine Mount Strut Bracket Bolt
22 - Engine Mount Strut Bracket Bolt
23 - Engine Mount Strut Bracket
24 - Exhaust Crossover Pipe Seal
25 - Exhaust Crossover Pipe Stud
26 - Brake Booster Heat Shield
27 - Brake Booster Heat Shield Nut
28 - Exhaust Crossover Pipe Bolt
29 - Exhaust Crossover Pipe
30 - Engine Lift Bracket
31 - Engine Lift Bracket Bolt
32 - Engine Lift Bracket Nut
33 - Exhaust Manifold Head Shield
34 - Exhaust Manifold Heat Shield Nut
35 - Exhaust Manifold Nut
36 - Exhaust Manifold Bolt
37 - Exhaust Manifold Bolt
38 - Exhaust Manifold
39 - Exhaust Manifold Gasket
40 - Spark Plug
41 - Cylinder Head Bolt
42 - Exhaust Manifold Stud
43 - Exhaust Valve
44 - Intake Valve
45 - Cylinder Head Gasket
46 - Cylinder Head Core Hole Plug
47 - Cylinder Head
48 - Cylinder Head Bolt
49 - Valve Rocker Arm Retainer
50 - Valve Rocker Arm
51 - Valve Rocker Arm Bolt
52 - Spark Plug Wire Support Clip
53 - Spark Plug Wire Harness
54 - Spark Plug Heat Shield
55 - Ignition Coil
56 - Ignition Coil Stud
57 - Ignition Coil Nut

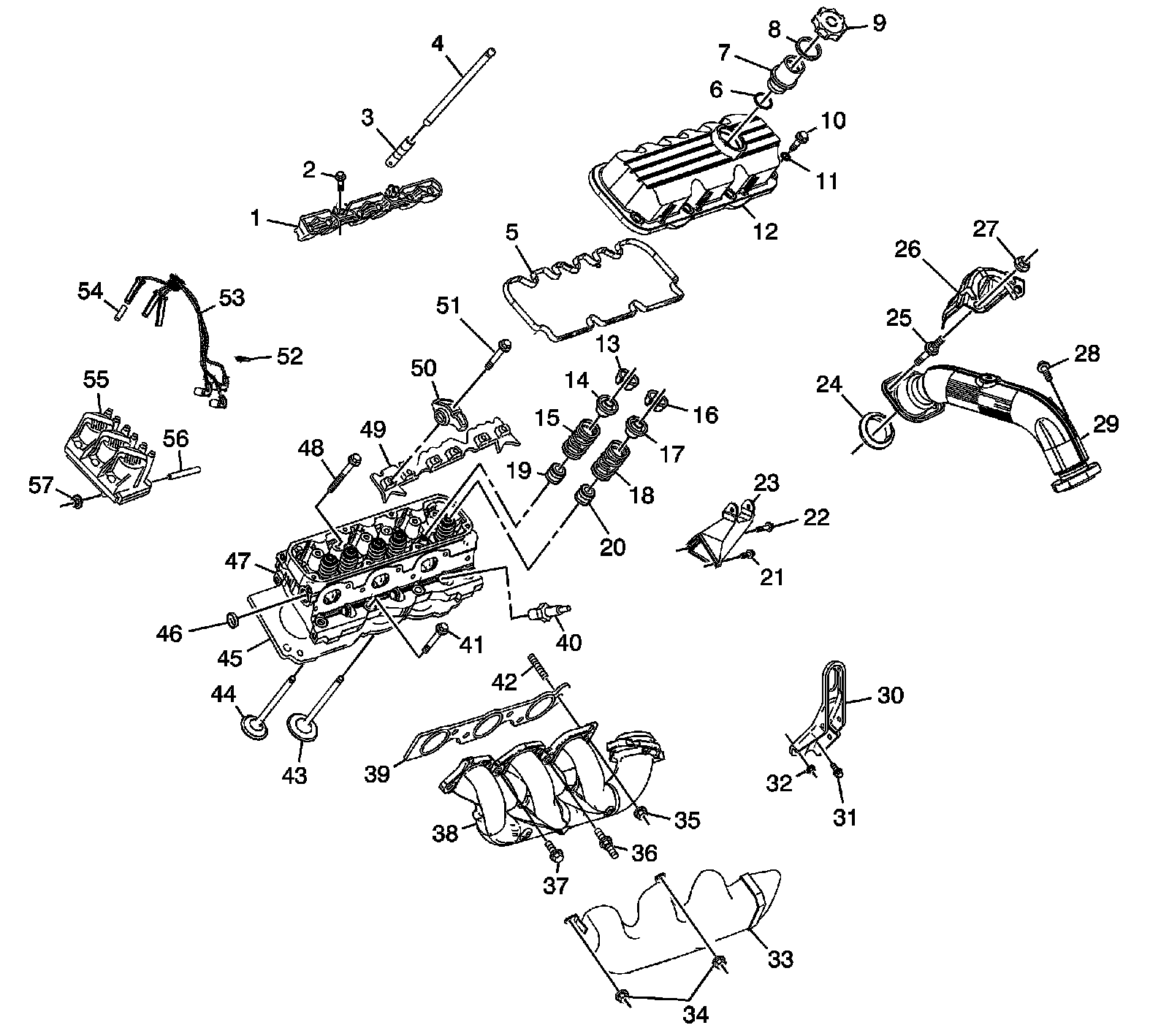
Cylinder Head and Components - Left - L32




1 - Spark Plug Wire Support Bolt
2 - Spark Plug Wire Support
3 - Spark Plug Heat Shield
4 - Ignition Coil
5 - Spark Plug Wire Support Clip
6 - Spark Plug Wire Harness
7 - Valve Lifter Guide
8 - Valve Lifter Guide Bolt
9 - Valve Lifter
10 - Valve Push Rod
11 - Cylinder Head
12 - Cylinder Head Bolt
13 - Valve Rocker Arm Retainer
14 - Valve Rocker Arm
15 - Valve Rocker Arm Bolt
16 - Valve Rocker Arm Cover Gasket
17 - Valve Rocker Arm Cover
18 - Valve Rocker Arm Cover Bolt
19 - Oil Filler Tube
20 - Oil Filler Tube Seal
21 - Oil Filler Cap
22 - Valve Rocker Arm Bolt
23 - Valve Rocker Arm Cover O-ring
24 - Brake Booster Heat Shield
25 - Exhaust Crossover Pipe Stud
26 - Brake Booster Heat Shield Nut
27 - Exhaust Crossover Pipe Bolt
28 - Exhaust Crossover Pipe
29 - Valve Stem Key
30 - Valve Stem Cap
31 - Valve Spring
32 - Valve Stem Oil Seal
33 - Engine Mount Strut Bracket
34 - Engine Mount Strut Bracket Bolt
35 - Engine Mount Strut Bracket Bolt
36 - Engine Lift Bracket
37 - Engine Lift Bracket Bolt
38 - Engine Lift Bracket Nut
39 - Exhaust Manifold Head Shield
40 - Exhaust Manifold Heat Shield Nut
41 - Exhaust Manifold Nut
42 - Exhaust Manifold Stud
43 - Exhaust Manifold Bolt
44 - Exhaust Manifold
45 - Exhaust Manifold Gasket
46 - Exhaust Manifold Stud
47 - Cylinder Head Bolt
48 - Spark Plug
49 - Exhaust Valve
50 - Intake Valve
51 - Cylinder Head Core Hole Plug
52 - Cylinder Head Gasket
53 - Engine Mount Strut Bracket Stud
54 - Engine Mount Strut Bracket
55 - Drive Belt Idler Pulley
56 - Drive Belt Idler Pulley Bolt
57 - Engine Mount Strut Bracket Nut
58 - Drive Belt Tensioner Nut
59 - Drive Belt Tensioner
60 - Drive Belt Tensioner Stud
61 - Generator Brace Stud
62 - Exhaust Crossover Pipe Seal

Cylinder Head and Components - Right - L26/L32




1 - Secondary Air Injection Pipe Bolt
2 - Secondary Air Injection Pipe Gasket
3 - Secondary Air Injection Valve
4 - Secondary Air Injection Hose Clamp
5 - Secondary Air Injection Hose
6 - Secondary Air Injection Hose Clamp
7 - Secondary Air Injection Pipe
8 - Secondary Air Injection Hose Clamp
9 - Secondary Air Injection Hose Clamp
10 - Secondary Air Injection Hose Clamp
11 - Exhaust Gas Recirculation Valve Nut
12 - Exhaust Gas Recirculation Valve
13 - Exhaust Gas Recirculation Valve Gasket
14 - Exhaust Gas Recirculation Valve Adapter
15 - Exhaust Gas Recirculation Valve Outlet Pipe
16 - Exhaust Gas Recirculation Valve Outlet Pipe Nut
17 - Exhaust Gas Recirculation Valve Outlet Pipe Bolt
18 - Exhaust Gas Recirculation Valve Adapter Bolt
19 - Cylinder Head
20 - Cylinder Head Gasket
21 - Valve Rocker Arm Cover Gasket
22 - Valve Rocker Arm Cover
23 - Exhaust Manifold Stud
24 - Exhaust Manifold Gasket
25 - Engine Coolant Thermostat Bypass Pipe Seal
26 - Engine Coolant Thermostat Bypass Pipe
27 - Engine Coolant Thermostat Bypass Pipe Seal
28 - Engine Coolant Thermostat Bypass Pipe Seal
29 - Engine Coolant Thermostat Bypass
30 - Engine Coolant Thermostat Bypass Pipe Seal
31 - Drive Belt Tensioner Bolt
32 - Drive Belt Tensioner
33 - Exhaust Manifold
34 - Exhaust Manifold Stud
35 - Exhaust Manifold Nut
36 - Exhaust Gas Recirculation Valve Adapter Pipe Bolt
37 - Exhaust Manifold Heat Shield
38 - Exhaust Manifold Heat Shield Bolt
39 - Engine Lift Bracket
40 - Engine Lift Bracket Nut
41 - Engine Lift Bracket Bolt
42 - Engine Sight Shield Bracket
43 - Engine Sight Shield Bracket Nut
44 - Oxygen Sensor
45 - Secondary Air Injection Pipe Gasket
46 - Secondary Air Injection Pipe Nut
47 - Secondary Air Injection Pipe
48 - Secondary Air Injection Valve Mounting Bracket Bolt
49 - Secondary Air Injection Valve Mounting Bracket
50 - Secondary Air Injection Valve Bolt