lemon-mirror:
Home >> Buick >> 2008 >> Lucerne V6-3.8L >> Repair and Diagnosis >> Diagrams >> Components >> Instrument Panel/Center Console Component Views

Instrument Panel/Center Console Component Views



Instrument Panel/Center Console Component Views

Floor Shift Components

Floor Shift Components:




1 - A/T Shift Lock Control Solenoid (A51)
2 - Reverse Lockout Solenoid X1 (A51)
3 - Reverse Lockout Solenoid (A51)
4 - Reverse Lockout Solenoid X2 (A51)
5 - Shifter Background Lamp
6 - Auxiliary Power Outlet (A51)
7 - Traction Control Switch (A51)
8 - Cigar Lighter (DT4+A51) / Auxiliary Power Outlet (A51)

Steering Wheel Assembly Components




1 - Heated Steering Wheel
2 - Horn Switch
3 - Heated Steering Wheel Module (NR7)
4 - Steering Wheel Control Switch - Right
5 - Radio Volume Switch
6 - Heated Steering Wheel Element (NR7)
7 - Heated Steering Wheel Switch (NR7)
8 - Cruise Control Switch

Underneath Center Dash Panel




1 - Sunload Twilight Sensor (CJ2)/Ambient Light Sensor (C67)
2 - Global Positioning System (GPS) Antenna (U3U)

Right Side of I/P




1 - Body Control Module (BCM)

Instrument Panel (I/P) Components

Instrument Panel (I/P) Components:




1 - Inflatable Restraint Steering Wheel Module
2 - Instrument Panel Cluster (IPC)
3 - Sunload Twilight Sensor (CJ2)/Ambient Light Sensor (C67)
4 - Speaker - Front Center (UQA)
5 - Hazard Switch
6 - Inflatable Restraint I/P Module
7 - I/P Compartment Lamp
8 - Radio
9 - HVAC Control Module
10 - Auxiliary Power Outlet - Console (A51)/Cigar Lighter (DT4/A51)
11 - Traction Control Switch (A51)
12 - Steering Wheel Controls
13 - Data Link Connector (DLC)
14 - Air Temperature Sensor - Inside (CJ2)
15 - Headlamp Switch
16 - Turn Signal/Multifunction Switch
17 - Driver Information Display Switch

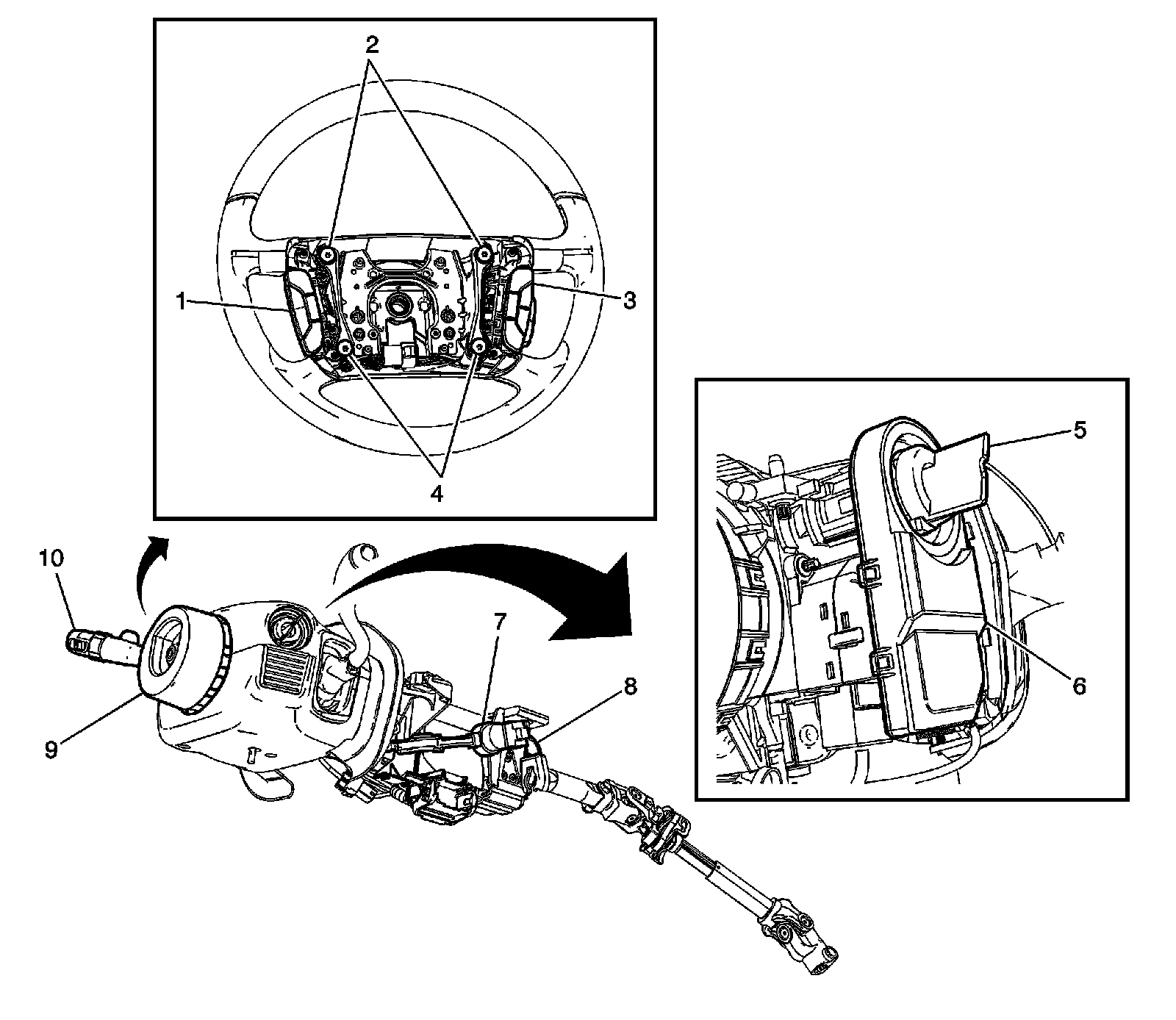
Steering Column Components

Steering Column Components:




1 - Steering Wheel Control Switch - Left
2 - Horn Switches
3 - Steering Wheel Control Switch - Right
4 - Horn Switches
5 - Ignition Key Cylinder
6 - Theft Deterrent Module (TDM)
7 - Gear Shift Solenoid (AN3)
8 - Steering Angle Sensor (JL4)
9 - Inflatable Restraint Steering Wheel Module Coil
10 - Turn Signal/Multifunction Switch

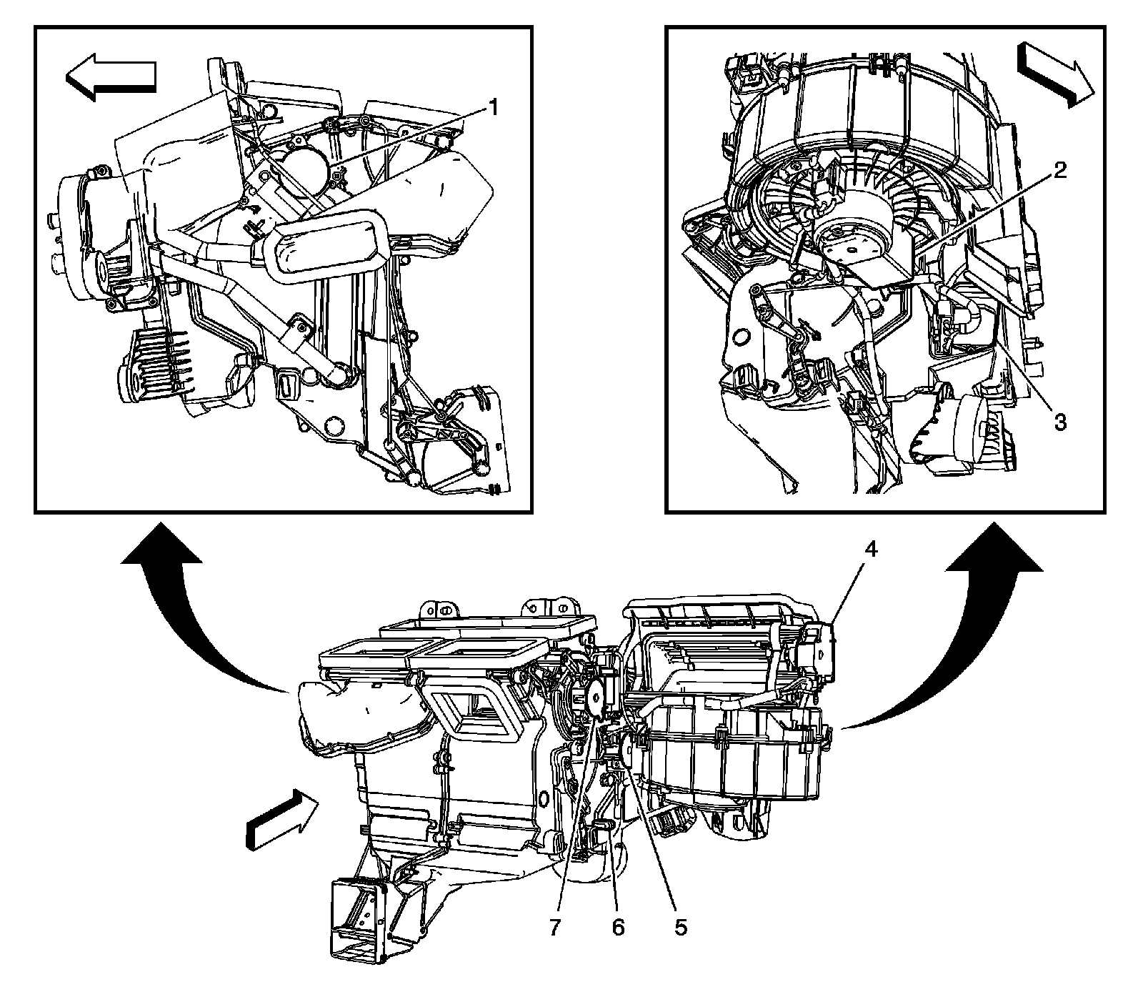
HVAC Module Components (CJ2)




1 - Air Temperature Actuator - Driver (CJ4/CJ2)
2 - Blower Motor
3 - Blower Motor Control Module
4 - Recirculation Actuator
5 - Air Temperature Actuator - Front Passenger (CJ4/CJ2)
6 - EVAP Temperature Sensor
7 - Mode Actuator

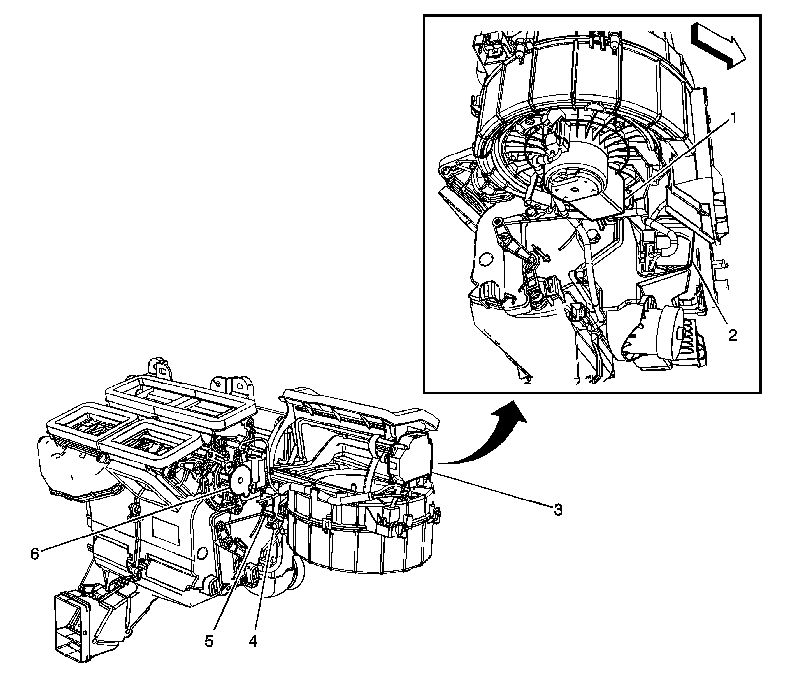
HVAC Module Components (C67)




1 - Blower Motor
2 - Blower Motor Control Module
3 - Recirculation Actuator
4 - EVAP Temperature Sensor
5 - Air Temperature Actuator
6 - Mode Actuator

Air Bags




1 - Inflatable Restraint Roof Rail Module - Left (AY0)
2 - Inflatable Restraint I/P Module
3 - Inflatable Restraint Roof Rail Module - Right (AY0)
4 - Inflatable Restraint Steering Wheel Module