lemon-mirror:
Home >> Buick >> 2007 >> Terraza V6-3.9L >> Repair and Diagnosis >> Wiper and Washer Systems >> Wiper Control Module >> Service and Repair

Wiper Control Module: Service and Repair



Wiper Motor Module Replacement

Removal Procedure

1. Open and support the hood.




2. Remove the driver side wiper arm (2).




3. Remove the passenger side wiper arm (3).
4. Remove the air inlet grille panel.
5. Lower the washer container into the engine compartment. refer to Washer Solvent Container Replacement.




6. Disconnect the electrical connector (2) from the wiper motor (1).




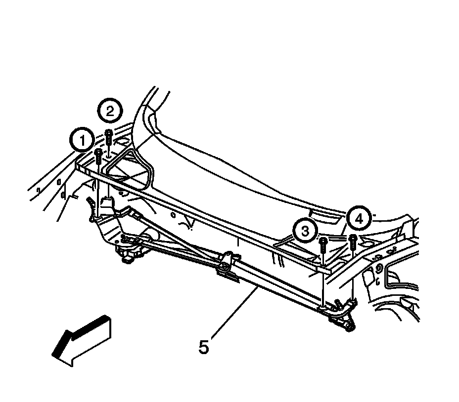
7. Remove the 4 bolts, as shown, from the wiper module (5).




8. Carefully guide the passenger side module out first from the opening in the front plenum.
9. Pull the module from the drive side fender flange opening.
10. Remove the module from the vehicle.

Installation Procedure




1. Position the wiper module (5) to the lower plenum in the driver side fender flange opening first.




2. Rotate the module (5) into the opening at the passenger side plenum.
3. Ensure the rear center mount is secure into the sheet metal flange at the rear of the module.

Notice: refer to Fastener Notice.

4. Install the wiper module bolts.

Tighten the bolts in sequence, as shown, to 10 N.m (89 lb in).




5. Connect the electrical connector (2) to the motor (1).
6. Install the air inlet grille panel.




7. Install the driver side wiper arm (2).




8. Install the passenger side wiper arm (3).
9. Secure the washer container. refer to Washer Solvent Container Replacement.
10. Close the hood.
11. Inspect the wiper system for proper operation.