lemon-mirror:
Home >> Buick >> 2007 >> Rainier AWD L6-4.2L >> Repair and Diagnosis >> Specifications >> Mechanical Specifications >> Engine >> Timing Components >> Timing Chain

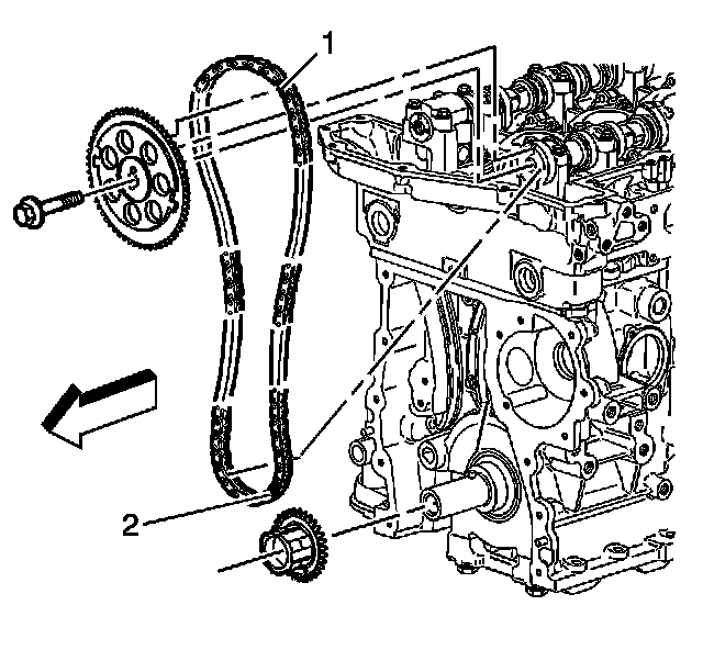
Timing Chain





Timing Chain

Install the intake camshaft sprocket into the timing chain.

Align the - dark link of the timing chain with the timing mark on the intake camshaft sprocket (1).

Feed the timing chain down through the opening in the head.

Install the timing chain onto the crankshaft sprocket. Align the - dark link of the timing chain with the timing mark on the crankshaft sprocket (2).

Important: It may be necessary to remove J 44221 to rotate and hold the camshaft (hex) to align the pin to the camshaft sprocket.