lemon-mirror:
Home >> Buick >> 2002 >> Regal V6-3.8L SC VIN 1 >> Repair and Diagnosis >> Powertrain Management >> Computers and Control Systems >> Air Flow Meter/Sensor >> Service and Repair

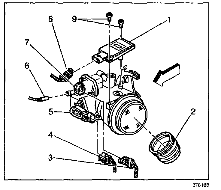
Air Flow Meter/Sensor: Service and Repair

MASS AIR FLOW (MAF) SENSOR REPLACEMENT

REMOVAL PROCEDURE




1. Remove the fuel injector sight shield.

IMPORTANT: The mass air flow (MAF) sensor on this engine is attached to the throttle body assembly.

2. Disconnect the MAF sensor electrical connector (8).
3. Remove the MAF sensor screws (9).
4. Remove the MAF sensor (1).

INSTALLATION PROCEDURE




1. Install the MAF sensor (1).

NOTE: Refer to Fastener Notice in Service Precautions.

2. Install the MAF sensor screws (9).

Tighten
Tighten the screws to 3 N.m (27 lb in).

3. Connect the MAF sensor electrical connector (8).
4. Install the fuel injector sight shield.