lemon-mirror:
Home >> Buick >> 2000 >> Regal V6-3.8L SC VIN 1 >> Repair and Diagnosis >> Locations >> Component Locations >> Modules >> Body Control Module (BCM)

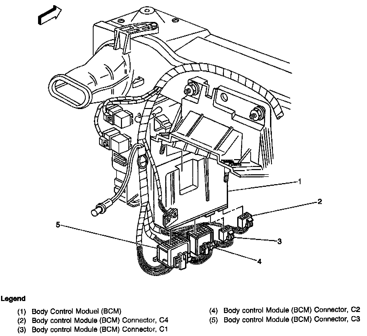
Body Control Module (BCM)

Locations View:




Below the left side of the IP, left of the steering column