lemon-mirror:
Home >> Buick >> 2000 >> Regal V6-3.8L SC VIN 1 >> Repair and Diagnosis >> Diagrams >> Components >> Miscellaneous Components >> IP Fuse Block

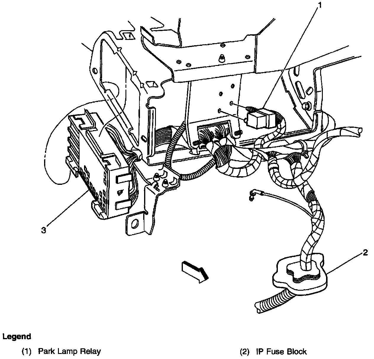
IP Fuse Block

Locations View:



Locations View:



Locations View: