lemon-mirror:
Home >> Buick >> 2000 >> Regal V6-3.8L SC VIN 1 >> Repair and Diagnosis >> Cruise Control >> Cruise Control Module >> Service and Repair

Cruise Control Module: Service and Repair

REMOVAL PROCEDURE

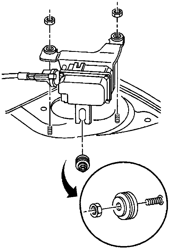
IMPORTANT: The cruise control module is mounted to the left strut tower. Service the cruise control module as a complete unit.




1. Remove the cruise control cable from the cruise control module.
2. Disconnect the electrical connector from the cruise control module.




3. Remove the cruise control module retaining nuts from the shock tower.

INSTALLATION PROCEDURE




1. Install the cruise control module on the mounting studs.

NOTE: Refer to Fastener Notice in service Precautions.

2. Install the cruise control module retaining nuts.

Tighten
Tighten the cruise control module retaining nuts to 2 N.m (18 lb in).




3. Connect the electrical connector to the cruise control module.
4. Install the cruise control cable to the cruise control module.
5. Adjust the cruise control cable.