lemon-mirror:
Home >> Buick >> 1992 >> Roadmaster V8-305 5.0L >> Repair and Diagnosis >> Locations >> Component Locations >> Modules >> Vehicle Speed Sensor Module

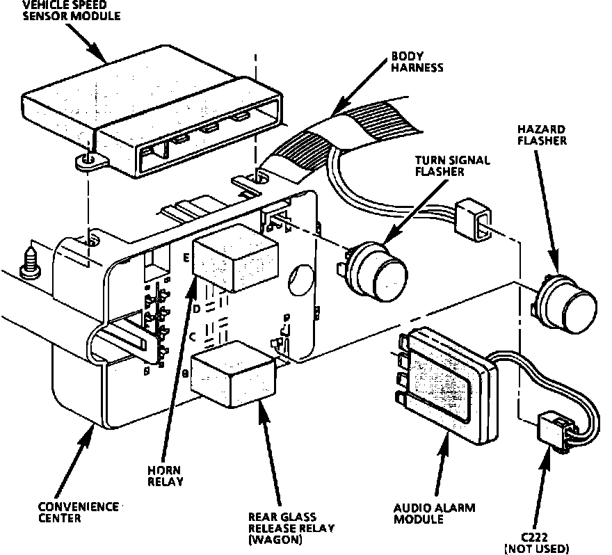
Vehicle Speed Sensor Module

Convenience Center.:




LH Side Of I/P:




LH Kick Panel.:




Engine Component Location.:






LH Side Of I/P, At Top Of Convenience Center

Applicable to: Caprice, Custom Cruiser & Roadmaster