lemon-mirror:
Home >> Buick >> 1992 >> Roadmaster V8-305 5.0L >> Repair and Diagnosis >> Diagrams >> Components >> Switches >> Rear Defogger Control Switch

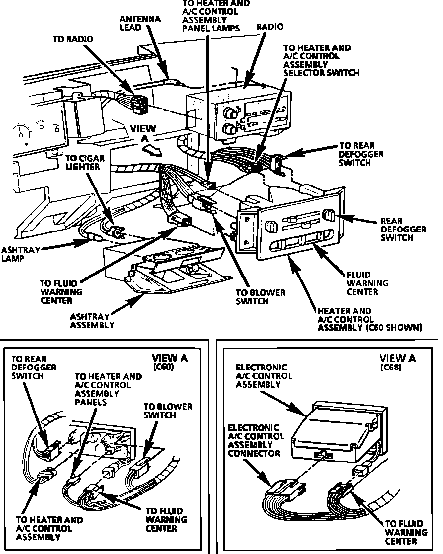
Rear Defogger Control Switch

Front Of I/P.:




In Heater & A/C Control Assembly

Applicable to: Caprice, Custom Cruiser & Roadmaster