lemon-mirror:
Home >> Buick >> 1985 >> Electra V6-231 3.8L >> Repair and Diagnosis >> Powertrain Management >> Ignition System >> Relays and Modules - Ignition System >> Ignition Control Module >> Service and Repair

Ignition Control Module: Service and Repair

Fig. 26 C3I ignition module installation. 1984-85 models:




Fig. 27 C3I ignition module installation. 1986-87 models exc. Delta 88, LeSabre, 1987 Bonneville & 1988 V6-231(3800):




Fig. 28 C3I ignition module installation. 1986-88 Delta 88 & LeSabre & 1987-88 Bonneville:




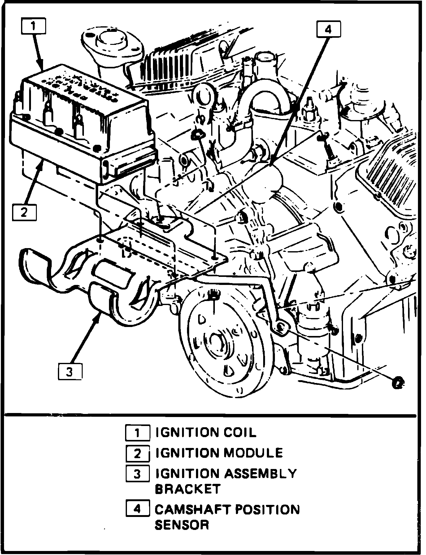
Fig. 29 C3I ignition module installation. 1988 V6-231(3800):





1. Disconnect battery ground cable, then the ignition module 14-way connector.
2. Disconnect spark plug wires from ignition coil.
3. Remove ignition module-to-bracket attaching nuts and washers, Figs. 26 through 29.
4. Remove screws securing coil to ignition module, then disconnect coil-to-module wire connectors.
5. Remove ignition module.
6. Reverse procedure to install.