lemon-mirror:
Home >> Buick >> 1984 >> Regal V6-252 4.1L >> Repair and Diagnosis >> Powertrain Management >> Computers and Control Systems >> Knock Sensor >> Testing and Inspection

Knock Sensor: Testing and Inspection

- Chart C-5 Electronic Spark Control (ESC) Check.:




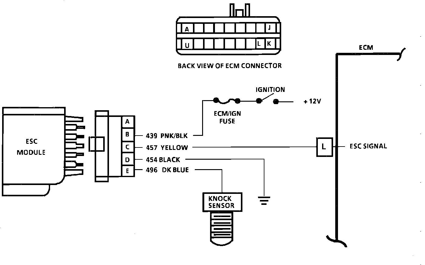
- Wiring Diagram for Chart C-5 Electronic Spark Control (ESC) Check.:





CHART C-5, ELECTRONIC SPARK CONTROL (VINS E,A,4,G,H)

CIRCUIT DESCRIPTION
If the timing is retarded at idle, it may be due to ESC operating. ESC should not operate unless a knock is present.

CHART DESCRIPTION
Step numbers refer to step numbers on diagnostic chart.
1. This is the ESC functional check. Simulating an engine knock by tapping the engine block should normally cause an rpm drop (decrease timing). If it doesn't drop, either the timing is not retarding or is retarded all the time.
2. This should cause full retard by dropping the voltage at ECM term. "L." Retarded timing should cause an rpm drop.
3. Normally, voltage should be .08 volts AC or higher for a good knock sensor circuit.
4. "Service Engine Soon" light should be "ON" and a Code 43 set because ESC system would be retarded too long. If no light comes on, the ECM is not retarding the spark because of a voltage on CKT .457 to terminal "L" or the ECM is faulty.
5. Checks to see if knock sensor is reason for retard signal. If engine knock is not present, and timing increases when knock sensor is disconnected, fault is an over sensitive knock sensor. Timing should not normally increase.
6. Checks to see if retard signal is due to "noise" on signal wire or faulty controller. If timing increases when wire is disconnected from controller, fault is due to knock sensor signal wire running too close to an ignition or charging system wire. Reroute wire to correct.