lemon-mirror:
Home >> Buick >> 1983 >> Century L4-151 2.5L >> Repair and Diagnosis >> Diagrams >> Components >> Miscellaneous Components >> Vacuum Tank >> Less Cruise Control

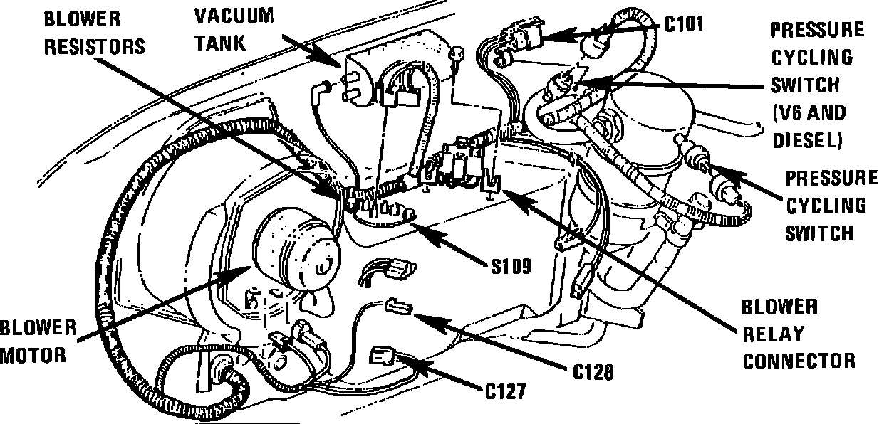
Less Cruise Control

RH Side Of Cowl.:




Center Of Engine Cowl, Above Plenum

Applicable to: 1982-83 Century