lemon-mirror:
Home >> Buick >> 1982 >> Riviera V6-252 4.1L >> Repair and Diagnosis >> Powertrain Management >> Computers and Control Systems >> Vehicle Speed Sensor >> Locations

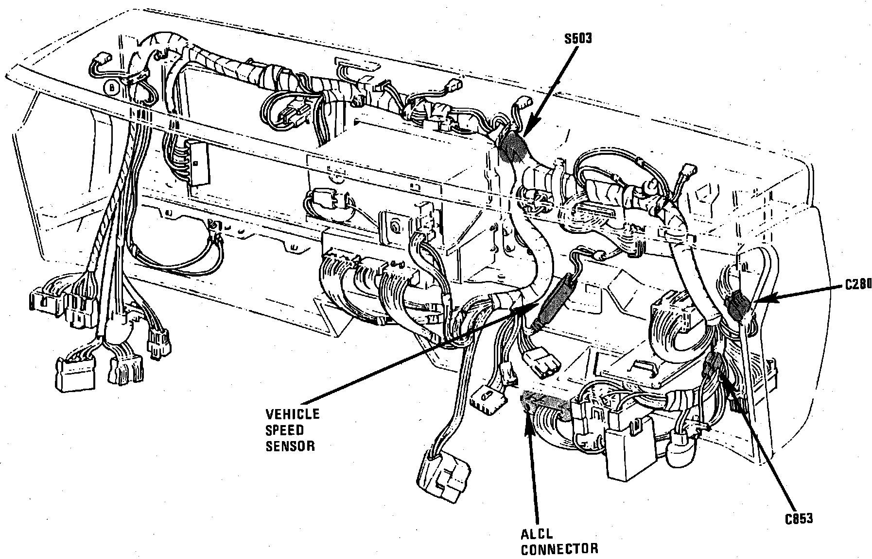
Vehicle Speed Sensor: Locations

Behind I/P.:




Behind I/P, Near Steering Column

Applicable to: Riviera