lemon-mirror:
Home >> Buick >> 1982 >> Riviera V6-252 4.1L >> Repair and Diagnosis >> Powertrain Management >> Computers and Control Systems >> Engine Control Module >> Locations >> ECM Wiring Harness

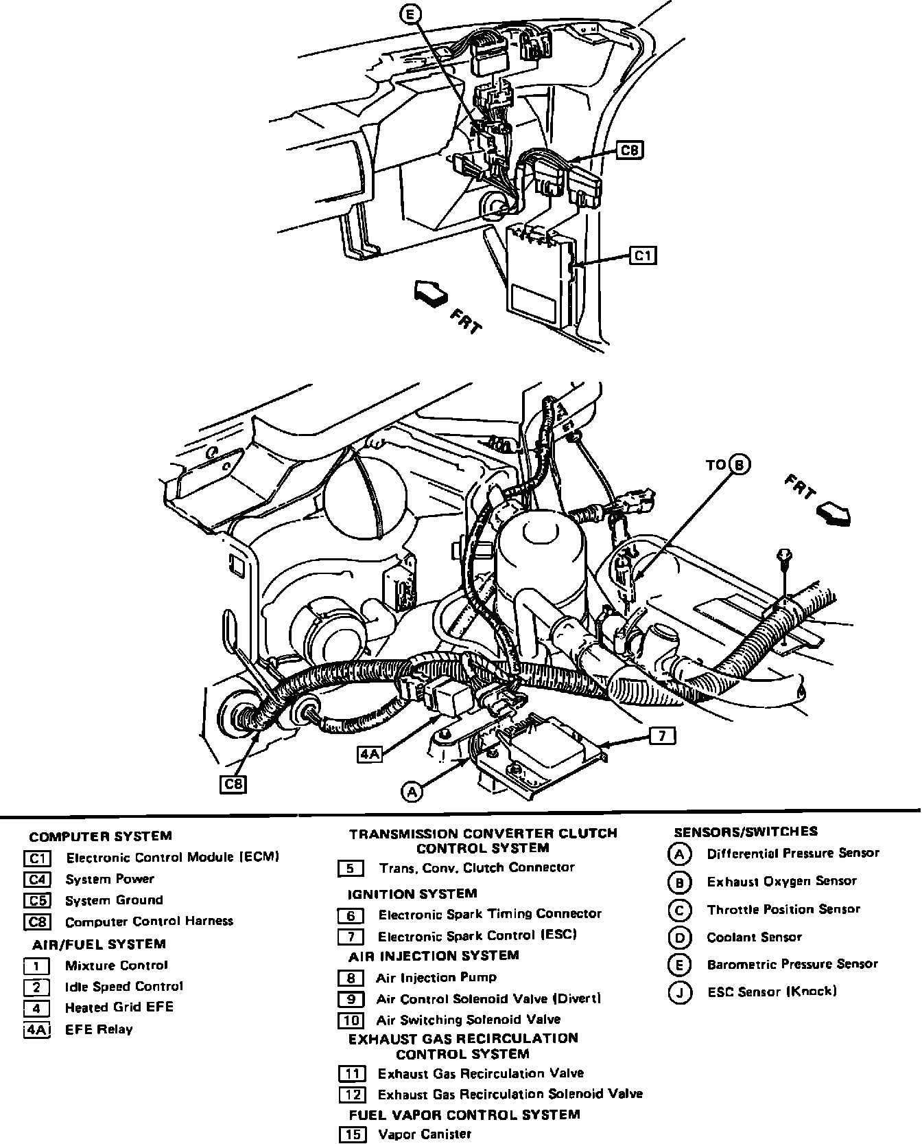
ECM Wiring Harness

ECM Wiring Harness & Related Components (Part 1 Of 2).:




ECM Wiring Harness & Related Components (Part 1 Of 2).:




In Engine Compartment

Applicable to: 1984 Riviera & Toronado w/4.1L Engine